Механика: надежность и популярность
Наибольшей популярностью среди автолюбителей пользуется механическая коробка передач. Принцип ее работы заключается в работе двух зубчатых колес, одно из которых вращается двигателем, второе – передает вращение колесам. Переключение производиться механическим способом – водитель при помощи рычага переключения и педали сцепления (работая вкупе с педалями газа и тормоза) выбирает необходимую передачу, которая определяет крутящий момент и скорость автомобиля. Именно это у новичков вызывает затруднения – нужно уметь грамотно переключаться между скоростями, плавно отпускать сцепление и знать в какой момент включить ту или иную скорость. Установлена механика может быть на любой тип привода (задний, передний или полный).
Механика гораздо дешевле в обслуживании и ремонте, по сравнению с другими коробками. Автомобили на МКПП так же дешевле своих оппонентов. Конструктивно она тоже проще прочих вариантов, потому и ремонт/замена обойдутся для кармана в меньшую сумму, чем с остальными коробками передач.
Большая популярность механики объясняется тем, что она позволяет владеть автомобилем в большей степени, чем это позволяют сделать иные коробки. С механической коробкой водитель сам решает какую передачу включить, а потому скорость и крутящий момент находятся под его полным контролем. Благодаря чему расход топлива с такой коробкой оказывается наименьшим. Таким образом, механика обладает наивысшим КПД среди прочих коробок передач.
Подытоживая выше перечисленное стоит коротко изложить плюсы и минусы механической коробки передач. Из достоинств стоит выделить:
- наименьшую стоимость;
- простоту конструкции;
- меньший расход топлива, чем у автомобилей с другими коробками;
- высокую эффективность работы, позволяющую максимально хорошо владеть автомобилем;
- отличную динамика.
Из минусов можно выделить разве что необходимость постоянно «мутузить» рычаг и педали.
Автомат: удобство и легкость
Вторая по популярности коробка передач на сегодняшний день – автомат. Она представляет собой своего рода «усложненную» механику, в которую добавили механизм, самостоятельно переключающий передачи. Водителю нужно только выбрать один из четырех режимов (парковка, нейтралка, задний ход и драйв – езда) и нажать на педаль, а остальное за него сделает автомат. Что касается педалей, то их здесь две: газ и тормоз, сцепления нет. С точки зрения удобства управления автомобилем автоматическая коробка позволяет беззаботно и просто вести его, не требуя постоянного взаимодействия с рычагом и педалями – лишь выбор нужного режима и нажатие на педаль газа. Неплохой ступенчатый вариант коробки для беззаботной езды.
Но, учитывая более сложную конструкцию этой коробки, стоит учесть и более высокую ее стоимость (как при покупке автомобиля, так и в случае ремонта, если случится поломка, или прочего обслуживания). К слову, и весит АКПП больше, чем механика, потому и авто будет иметь массу немногим выше. Также придется повысить затраты на топливо, потому как автомат «кушает» больше, чем его главный конкурент – МКПП. У этих двух коробок достаточно много отличий, потому многие автолюбители задаются вопросом: что лучше механика или автомат, отличия в каждой из которых видны даже не вооруженным глазом (от стоимости до принципов работы и эксплуатации).
Из плюсов автомата выделяются:
- удобное управление автомобилем без необходимости переключения передач;
- возможность автомата менять передачу при максимальной мощности двигателя;
- отсутствие отката при старте на ровном дорожном покрытии;
- увеличенный ресурс работы за счет защиты коробки, отчего перегрузка и неисправность при неправильном переключении передач ей не страшны (механика в руках новичков в таком случае неизменно страдает);
- встроенная противооткатная система, что позволяет предотвратить самопроизвольное движение автомобиля во время стоянки.
В числе минусов:
- больший (в сравнении с механикой) расход топлива;
- высокая стоимость покупки, ремонта, обслуживания;
- динамика, уступающая МКПП;
- временные задержки при переключении передач;
- откаты при старте на наклонной площади.
Из выше изложенного видно, что МКПП и АКПП обладают широким рядом отличий, а потому и вопрос – что лучше механика или автомат – можно считать вполне закономерным.
Как трогаться на подъеме
Для начинающих водителей механическая коробка доставляет не мало трудностей в городском потоке. Одной из главных проблем – процесс начала движения в горку, тем более, если стоите на светофоре. Педали три, а ноги две. Отпуская педаль тормоза, машина может скатиться на бибикающего сзади.
Давайте рассмотрим, как можно начать движение в горку, используя только коробку передач, не перенося ногу на акселератор:
- Одна нога на сцеплении, вторая на тормозе. Включаем первую передачу
- Держим тормоз, чтобы машина не укатилась
- Плавно поднимаем ногу до того момента, как произойдет сцепление коробки и двигателя. Это как трогаться с места. Почувствуется легкая дрожь на руле или рычаге КПП, обороты двигателя понизятся, он станет работать «натужно», звук измениться. Останавливаем ногу в этом положении. Если сейчас отпустить тормоза, то машина не покатится, ее будет держать коробка
- В этом момент переносим ногу на педаль газа, слегка нажимаем ее, чтобы добавить топлива и приподнять обороты, смотрим на тахометр. Оставляем ногу на прижатой газульке
- В этот момент плавно отпускаем педаль сцепления, и машина начнет движение. Если она попытается заглохнуть или начнет дергаться, нужно чуть-чуть добавить газа. Если сильно нажать, обороты двигателя поднимутся до больших значений, и вы в салоне почувствуете запах тухлых яиц. Это будут не ваши, это горит сцепление.
Чтобы не спалить диск сцепления нужно все делать плавно, не задирать обороты, потому что, в момент, когда вы держите машину на спуске при помощи двигателя и коробки передач, диск сцепления полностью не прижат к ведущей шестерни. Вы наваливаете оборотов, эта шестерня крутиться с сумасшедшей скоростью, плотного контакта диска с ней нет.
Из-за высоко трения, в результате не полного прилегания, возрастает температура. Диск стирается, его срок эксплуатации резко снижается. Это и называется «Спалить сцепление». Потом различные проблемы и дорогостоящая замена.
Работа механической коробки
Агрегат состоит из таких основных элементов:
- корпус с масляным картером;
- три вала с шестеренками – первичный, вторичный и промежуточный;
- устройства синхронизации;
- рукоять переключения с вилочными приводами перемещения шестерен.
С помощью рукоятки водитель меняет пары шестерен, входящие в зацепление с приводами от двигателя и колес. Шестерни подобраны таким образом, чтобы обеспечить нужный крутящий момент на колесном приводе при разных режимах движения. На первых ступенях выходного вала задействованы шестеренки большего диаметра, чтобы главная передача вращалась медленнее, но с большим усилием. На III, IV и V скорости размер шестерен уменьшается и в итоге при движении на высокой скорости число оборотов привода и коленвала совпадает.
Зубья шестерней выполнены под углом с целью снижения шума трансмиссии. Чтобы при вхождении в зацепление на ходу зубья не переломались и не возникло удара, синхронизатор уравнивает скорости вращения соседних шестеренок. Это происходит в момент, когда водитель выжимает сцепление и переводит рукоять на другую позицию.
Механическая КПП является наиболее простой и надежной трансмиссией, устанавливаемой на автомобили с различной грузоподъемностью. Чем она отличается от автоматической и вариативной, – так это низкой стоимостью при высокой ремонтопригодности, а это влияет и на общую цену авто. Неудобство одно: водителю нужно постоянно манипулировать педалями акселератора и сцепления, чтобы своевременно переключаться на другую скорость при изменении режима движения.
Основные требования перед поездкой
Для того, чтобы движение по трассе не приносило дискомфорта нужно отлично знать все расположения скоростей. Если вы не знаете, как переключать передачи на механике, то можно попрактиковаться на заглушенном автомобиле. Переключение передач довольно простой процесс, главное не забывать, что в данном случае вам придется делать два дела одновременно. В теории механическая коробка передач очень проста, да и в обслуживании она обходится дешевле, а вот на практике многие ее побаиваются. Главное не садиться за руль в плохом самочувствии и не выезжать на оживленную местность до момента пока не наберется достаточное количество опыта вождения.
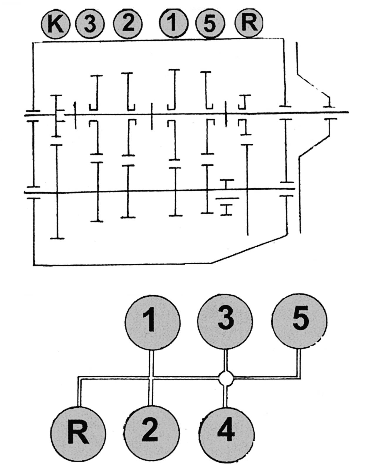
Схема переключения передач
Устройство МКПП
Механическая трансмиссия состоит из корзины сцепления и собственно из самой коробки.
В силовой агрегат входят:
- картер (корпус);
- первичный, вторичный и промежуточные валы;
- устройство выбора ступеней;
- ведомые и ведущие наборы шестеренок;
- синхронизаторы;
- подшипники, муфты и сальники.
Все эти компоненты находятся в корпусе и взаимодействуя друг с другом передают вращательный момент.
Сцепление
Сцепление является неотъемлемым компонентом механической КПП, осуществляющим разъединение двигателя и коробки в момент переключения ступеней без последствий для агрегатов. Если утрировать — сцепление отключает крутящий момент, при этом и мотор, и колеса машины крутятся в холостую.
Сцепление создано для аккуратного соединения мотора и колес. Состоит из двух дисков, один из которых соединен с мотором машины, второй — с колесами транспорта. Передача вращательного момента осуществляется через первичный вал трансмиссии.
Управлением включением (отпускание) и выключением (выжимание) сцепления осуществляется через педаль.
Шестерни и валы
В стандартных МКПП оси валов расположены параллельно, на них располагаются шестеренки.
Ведущий (первичный) вал присоединяется к маховику мотора через корзину сцепления, находящиеся на нем продольные выступы передвигают второй диск сцепления и передают через жестко закрепленную ведущую шестерню вращающий момент на промежуточный.
В хвостовике ведущего вала расположен подшипник, к которому примыкает конец вторичного. Отсутствие фиксированной связи делает возможным крутиться валам независимо друг от друга в разных направлениях и с разными скоростями.
На ведомом вале имеется целый набор различных шестерней как жестко закрепленных, так и свободно вращающихся.
Перемещение и выбор необходимой пары шестерен для раздачи соответствующего условиям передвижения крутящего момента выполняется вилками переключения посредством двухстороннего механизма управления.
Шток переключения ступеней состоит из замка, муфты переключения ступеней, приводов, ползунов с вилками, которые передвигаются вдоль и поперек при помощи рукоятки КПП, находящейся в салоне машины, и привода.
Механизм выбора передач может располагаться как в корпусе трансмиссии, так и располагаться на кузове автотранспорта и в редких случаях на рулевой колонке. В большинстве случаев используется кулисное устройство привода штока передач.
Синхронизаторы
Угловые скорости первичного и вторичного валов уравниваются при содействии синхронизатора и становится возможным смена ступени. Синхронизаторы обеспечивают более щадящий режим эксплуатации КПП и пониженный шум.
Не оснащаются синхронизаторами спецтехника и некоторые спортивные автомобили.
Коробка передач
Вождение на автомате для начинающихБуксировка автомобиля с АКППОсновные режимы работы АКПП Особенности вождения автомобиля с МКППКак избавить себя от необходимости изучения управления авто с МКПП?Так ли плох «автомат», как некоторые думают? Особенности вождения автомобиля с АКПП в зимний периодМеханика или автомат? Вечный вопрос…Механическая КПП. Какие бывают коробки передач на механике?Самые распространенные проблемы при управлении машиной с АКППКоробка передач экономит бензин?Можно ли заменить МКПП на АКПП?Управление автомобилем с синхронизированной МКПНесинхронизированные МКППНовые технологии разработок коробки передачИстория развития коробки передачВариаторная коробка передачТюнинг коробки передачИнновация от «Фольксваген»- интеллектуальная коробка передачСпортивная коробка передач от БМВЧто означают буквы на автоматической коробке передачТороидный вариатор и его историяВыбираем правильное масло для трансмиссииКулачковая коробка передач – есть ли смысл ее ставить?Механические блокираторы коробки передачУчимся правильно переключать передачи
Диагностика трансмиссии тест-драйвом
Тест-драйв позволяет мастеру узнать о том, какой узел автомобиля вышел из строя. В процессе его выполнения он анализирует характер рывков. Тест-драйв должны проводить опытные специалисты, поскольку не все автолюбители могут правильно интерпретировать результаты так называемого исследования. Подобная услуга понадобится тем людям, которые планируют купить подержанную машину. Такой способ диагностики позволит оценить ходовые качества транспорта, а также обнаружить неисправности других узлов.
Несмотря на появление и широкое распространение автоматических коробок передач, механические трансмиссии по-прежнему остаются достаточно популярными. Причины, по которым автовладельцы выбирают автомобили, снабженные «механикой», могут быть различными. Это и сила привычки, и возможность наиболее полно проявить свое водительское мастерство
Не менее важно и то, что стоимость механической коробки, а также ее ремонта, существенно ниже, чем стоимость АКПП. Надежность механических трансмиссий автомобилей зарубежного производства наиболее популярных марок не вызывает сомнений
Однако в ходе эксплуатации, а также под воздействием неблагоприятных дорожных и погодных факторов, нормальная работа механической коробки передач может быть нарушена. Современные МКПП — это достаточно сложные в техническом плане устройства, которые могут быть снабжены и определенными электронными элементами. Ремонту механической трансмиссии должна предшествовать тщательная диагностика. При этом, диагностика МКПП
Опель в Москве
, диагностика МКПП Тойота
или автомобиля любой другой марки, потребует не только досконального знания конструкции механической трансмиссии в целом, но и знакомства с особенностями механической коробки передач автомобилей того или иного производителя. Поэтому для осуществления диагностики и ремонта «механики» мы рекомендуем обращаться в наш сервис, специализирующийся на устранении неисправностей коробок передач, как механических, так и автоматических.
Прежде, чем приступить к ремонту трансмиссии, или принять решение о необходимости ее замены, в нашем сервисе выполняется тщательная диагностика МКПП
. Она предполагает использование различных методов, что дает возможность объективно оценить состояние всех основных узлов коробки передач. Диагностика начинается с того, что владелец автомобиля как можно более полно описывает возникшую неисправность. Среди основных мероприятий, на основании которых делается вывод о работоспособности трансмиссии и необходимости ее ремонта, можно выделить следующие:
- Оценка уровня масла и его состояния
- Обследование корпуса трансмиссии на предмет его целостности
- Оценка износа подшипников. Проведение диагностики предполагает обследование не только основных подшипников, но и игольчатых подшипников, выход из строя которых может стать причиной поломок трансмиссии
- Проверяются валы, шестерни, вилки выбора передач, а также состояние синхронизатора
- Оценивается износ уплотнительных элементов, а также рабочих поверхностей.
Опыт наших квалифицированных специалистов показывает, что диагностика МКПП должна выполняться в определенной последовательности, и носить комплексный характер. В ходе диагностики, даже если неисправность обнаружена сразу, мы не ограничиваемся использованием только одного метода. Нарушения в работе коробки передач могут быть вызваны сразу несколькими факторами, и устранять необходимо все эти факторы. Только в этом случае можно говорить об эффективности диагностики МКПП
– а значит, и об эффективности ремонта в целом. Мы выполняем диагностику состояния работы механических коробок передач автомобилей различных иностранных марок. При этом мы неукоснительно придерживаемся рекомендаций производителей. А в ходе диагностики, применяется современное оборудование, позволяющее наиболее точно определить характер поломок узлов и элементов трансмиссии. Результатом подобного профессионального подхода является неизменная уверенность наших клиентов в том, что ремонт будет выполнен на высоком качественном уровне
И, что не менее важно – без лишних расходов
Недостатки АМТ
Есть недостатки и у столь популярной и востребованной АМТ:
Перепрограммировать нельзя привыкнуть: запятую ставим сами. Если водитель имеет намерение изменить динамику автомобиля или сэкономить ресурсы машины путём перепрограммирования АМТ, его будет ждать разочарование. Перепрограммировать данный тип коробки передач невозможно. Выход один: не пытаясь подстроить АМТ под свой стиль вождения, подстроиться самому к некоторым особенностям её функционирования.Впрочем, здесь следует оговориться. После того, как гарантийный срок обслуживания автомобиля истекает, наши умельцы всё же умудряются перепрошивать электронный блок управления АМТ. Нельзя сказать, что эта процедура гарантировано приведёт к улучшениям динамики авто, но такие попытки предпринимаются отечественными автолюбителями регулярно.
Низкая скорость переключения. Те, кто привык управляться с автоматической коробкой передач, зачастую сетуют на то, что АМТ слишком «заторможенная». Данный недостаток – результат программных издержек, он присущ любым автоматическим коробкам передач. К сожалению, здесь приходится выбирать между наличием «автомата» и скоростью переключения; современный автопром, увы, ещё не придумал третьего варианта.
Наличие ручного режима. При движении в пробках или по пересечённой местности переключение на ручной режим для АМТ обязателен. В противном случае АМТ очень быстро выработает свой ресурс и придёт в негодность.Данный минус можно назвать минусом лишь условно: некоторые водителя, напротив, горячо приветствуют в АМТ наличие возможности вручную переключать передачу.
Рывки при переключении. Иногда в процессе переключения скоростей при движении автомобиля ощущаются рывки. Причина – не сброшенный на момент переключения газ
Это не совсем недостаток, а скорее особенность эксплуатации АМТ: важно научиться нажимать на педаль газа в этой ситуации не полностью. Плохая работа на крутых подъёмах
При движении по крутому подъёму в автомобилях, оснащённых АМТ, может размыкаться сцепление
Плохая работа на крутых подъёмах. При движении по крутому подъёму в автомобилях, оснащённых АМТ, может размыкаться сцепление
Это происходит в том случае, когда оно перегревается. Именно по этой причине в роботизированной коробке передач существует возможность ручного переключения. Опять же, это не недостаток, а особенность конструкции.
МКПП — это?
Механическими КП оснащены большинство моделей машин отечественного автопрома. Чтобы правильно управлять машиной, необходимо изучить не только принцип работы МКПП, но и из каких деталей состоит система.
Схема функционирования и узлы кардинально отличаются от автоматической трансмиссии. Ее главная составляющая — передаточный механизм зубчатого вида. Ведущей функцией коробки является изменение передаточного числа для передачи вращающего момента на колеса.
АКПП в свое время была создана на основе механической. Сейчас МКПП по числу ступеней выделяют 4-х, 5-ти и 6-ти ступенчатые. Самыми востребованными остаются пятиступенчатые, в то время как четырехступенчатые встречаются лишь на очень старых автомобилях.
Помимо этого, механическая коробка подразделяется на типы по «количеству валов». Она может быть двухвальной или трехвальной. Первый вид ставят на переднеприводных «легковушках». Второй тип — практически на все виды авто, в том числе заднеприводные и грузовые.
Устройство коробки передач представляет собой конструкцию, состоящую из множества элементов. К ним относят корпусы, несколько видов валов, шестеренки, рычаг переключения и синхронизаторы. Каждая деталь играет определенную роль.
Кроме того, устройство МКПП включает в себя еще несколько важных элементов. Самым главным считается сцепление. При переключении скоростей оно выполняет разъединение коробки с двигателем. Когда педаль нажата, двигатель и колеса работают отдельно.
Сцепление представляет собой два диска. Первый соединяется с мотором, а второй с колесами. Когда водитель отпускает педаль, диски прижимаются, и начинается их одновременное вращение. Что касается шестерни и валов, то здесь все немного проще. Оси валов сами по себе параллельны, на них находятся шестерни. Предназначение шестеренок — изменять частоту оборотов между валами. Переключение на повышенную (пониженную) передачу происходит благодаря замене размеров шестеренок.
Переключать передачи во время езды без сцепления невозможно. Разные МКПП оснащены двумя или тремя валами. Рассмотрим каждый тип отдельно.
Устройство
Конструкция МКПП мало изменилась с тех пор, как были сделаны и запатентованы основные ее элементы. Механическая коробка переключения передач состоит из следующих деталей и узлов:
- картер;
- входной, выходной и промежуточный валы;
- синхронизаторы;
- ведущих и ведомых шестерней;
- механизма переключения передач.
Собранные в едином корпусе детали взаимодействуют между собой, обеспечивая передачу крутящего момента. Устройство механической коробки передач зависит от особенностей конструкции и количества валов — по данному признаку они делятся на двух- и трех вальные. Последняя компоновка называется соосной и в технической литературе ее принято называть классической.
Валы и блоки шестерней
В такой конструкции ведущий и ведомый валы размещены картере коробки один за другим. В хвостовике первичного вала установлен подшипник, на который опирается конец вторичного. Отсутствие жесткой связи позволяет им вращаться независимо друг от друга с разной частотой и в разном направлении. Ниже под ними располагается промежуточный вал, передача усилия происходит через блоки шестерней установленных на указанные детали.
С целью снижения шумности редуктора, шестерни в нем делаются косозубые
При изготовлении данных деталей используется жесткая система допусков, и большое внимание уделяется качеству обработки сопрягаемых поверхностей
На ведущем валу классической механической коробки жестко закреплено несколько шестерней разного диаметра и соответственно с разным количеством зубьев. В отдельных случаях узел делается цельным, что обеспечивает ему максимальную прочность.
Шестерни на вторичном валу могут устанавливаться двумя способами:
- подвижно на шлицах;
- фиксировано на ступицах.
Соединение с ведущим валом в первом варианте происходит за счет продольного перемещения ведомой шестерни по шлицам до вхождения в зацепление в ведущей. Такая схема отличается простотой и надежностью и получила достаточно широкое распространение.
В другой конструкции продольное перемещение деталей исключается и соединение происходит при помощи скользящей муфты.
Видео — как происходит передача крутящего момента в МКПП:
Угловые скорости ведущего вала и ведомого уравниваются при помощи специального устройства, который называется синхронизатором. В коробках передач спортивных автомобилей или машин специального назначения вместо данных узлов могут использоваться кулачковые муфты.
Механизмы управления
За всю историю развития автотранспорта было разработано множество оригинальных конструкций. Наибольшее распространение получила компоновка, используемая в современных агрегатах.
Управление механической коробкой передач осуществляется специальной конструкцией, состоящей из следующих элементов:
- рычага;
- приводов;
- ползунов;
- вилки;
- замка;
- муфты переключения передач.
Изменения режимов работы агрегата производится водителем путем перемещения рычага из одного положения в другое. Через приводы задействуются ползуны. Защитой от одновременного включения является специальный блокирующий механизм – замок. В трехходовых коробках он делает невозможным перемещение двух ползунов при движении третьего.
Этот узел приводит в действие вилку переключения передач, которая вызывает смещение муфты. Данная деталь представляет собой толстостенное кольцо со шлицами на внутренней поверхности. Они находятся в постоянном зацеплении с зубчатым венцом ведомого вала, по которому муфта перемещается вдоль него. Аналогичные шлицы имеются и на боковой поверхности ведомой шестерни.
При переключении передач рычаг вначале переводится в нейтраль, из которой производится выбор нужного режима. За это время синхронизатор выравнивает угловые скорости, и шестерня блокируется муфтой. Крутящий момент с первичного вала передается на вторичный и далее через главный редуктор на ведущие колеса.
Синхронизатор обеспечивает безударное переключение, при этом время его срабатывания не превышает нескольких сотых долей секунды.
Видео — устройство сцепления и МКПП, наглядный рассказ от компании Тойота:
Мягкость работы механической коробки передачво многом зависит от общего состояния деталей и, в особенности, данного узла.
Синхронизатор представляет собой бронзовое кольцо с зубчатым венцом на внутренней стороне. При движении муфты она сначала прижимает деталь к конусной поверхности на боковине ведомой шестерни, возникшей при этом силы трения достаточно для выравнивания частоты вращения валов. После синхронизации происходит блокировка зубчатого колеса муфтой переключения.
Что нужно проверить перед выездом
Первое, что нужно проверить перед выездом в город — наличие с собой водительского удостоверения и полиса ОСАГО. Даже опытные водители часто забывают эти документы дома, из-за чего при остановке сотрудником ГИБДД случается конфуз.
Осматривая автомобиль нужно проверить:
- Тормоза;
- Габаритные огни;
- Фары, задние огни;
- Рулевое управление;
- Стеклоочиститель со стороны водителя.
По российским законам езда запрещена даже до места ремонта, если эти элементы неисправны. Нелишним будет проверить уровень масла в двигателе, уровень охлаждающей жидкости, уровень омывающей жидкости. Также проверяют давление в шинах, особенно перед дальней дорогой.

Недостатки МКПП
Подобно любому узлу автомобиля, ручная коробка не лишена недостатков:
- Сложное управление, подразумевающее одновременные манипуляции педалью сцепления и рычагом переключения.
- Необходимость контроля режима работы мотора. Только в этом случае удается обеспечить динамичный разгон и паспортные показатели расхода топлива.
- При неаккуратном обращении есть риск поломки сцепления или шестерен коробки передач.
- Риск «перекрутить» коленчатый вал двигателя, включив неправильную передачу.
- Разрывы потока мощности в моменты переключения.
- Утомительное управление коробкой при езде в пробках. Водителю постоянно приходится переключать передачи.
- Ступенчатое изменение передаточного отношения и ограниченное число скоростей. Из-за этого не всегда удается найти оптимальный режим работы двигателя. На современных автомобилях применяются электронные системы, подсказывающие водителю момент переключения скорости.
Недостатки механических коробок передач чувствительны только для начинающих или малоопытных водителей.






