ДХО моноблок, классические
Самый распространённый тип дневных ходовых огней, это в виде моноблока, удлинённого квадрата. Оптимально установить в решетку радиатора, между фарами ближнего света. Очень нежелательно ставить в решетку, которая находится в бампере. Например, у Дастера эта решетка находится между ПТФ, получается, что ходовые огни будут находится даже ниже уровня туманок. Фактически это зависит от типа авто, ПТФ паркетников выше за счёт увеличенного дорожного просвета и больших колёс. У обычной легковушки они находятся низко.
Некоторые спереди на бампер ставят светодиодные фары рабочего света или дополнительного. Обычно они слишком мощные для ДХО, но могут подойти самые самые слабые модели.
ДХО ниже чем противотуманки
Китайцы продают разнообразные светодиодные линейки без корпусов, выдавая их за ДХО. Указывают для них высокую мощность и низкую цену. Автолюбители, обрадованные ценой и характеристиками начинают их лепит на своё авто. Но функцию ДХО они не могут выполнять, потому что светят по все стороны, по паспорту 120 градусов. Они должны светить вперёд с углом 30 градусов, соответственно должны иметь отражатель или фокусирующую линзу. Без корпуса у них нет охлаждения и они дохнут от перегрева и воздействия соли на дорогах.
Линейки, которые непригодны
Особенности дизайна
Светильники
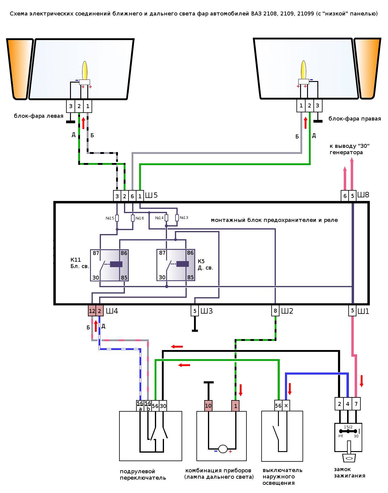
. На автомобилях используются огни блоков, которые объединяют фары проходящих и ведущих огней (лампы с одной резьбой) и индикаторы поворота. Кроме того, в фарах есть лампы парковочного света. Низкие и высокие балки фар активируются с помощью вспомогательных реле K4 и K5, расположенных в монтажном блоке. Управляющее напряжение на обмотках реле подается от выключателя фары, если переключатель выключателя наружного освещения полностью нажат. Когда включен луч ближнего света, загорается лампа ближнего света, и когда включается лучдальнего света , все лампы (прохождение и движение) подсвечиваются. Независимо от положения переключателя, вы можете в кратчайшие срокивключить дальний свет фар, потянув рычаг выключателя света к себе. В этом случае напряжение на контакте «30» переключателя подается непосредственно от источников питания. В жгуте проводов жгута проводов B для подключения проводов при установке фар с лампами ближнего света с двойным капотом. В этом случае серый провод с красной полосой в разъеме B должен быть подключен к проводу того же цвета, что и к разъему «56b» переключателя. Затем, когда включен пучокближнего света , загорается лампа ближнего света в лампах с двойным торможением, и когда включается луч дальнего света, лампочки дальнего света двухместных ламп и фонарь.
Противотуманные огни
. На автомобилях ВАЗ 2110 в опционной версии на передних бамперах могут быть установлены противотуманные фары. Фары включаются переключателем 27 (см. Приборную панель) с помощью дополнительного реле типа 113.3747, установленного в башмаке, прикрепленном к задней стороне монтажного блока. Противотуманные фары можно включить только в том случае, если включен выключательнаружного освещения 26.
Курс ускоренной самоподготовки для начинающих водителей: Запись на уроки.
https://youtube.com/watch?v=6XsMfAPBhtw
КАК ПОДКЛЮЧИТЬ СВОИМИ СИЛАМИ АВТОМАТИЧЕСКИЙ БЛИЖНИЙ СВЕТ
, ИМЕЕТСЯ КОНТРОЛЬ РАБОТЫ СВЕТА И .
Наружное освещение
. Окружающий свет включается внешним выключателем 26 освещения (в положениях «I» и «II»). Подача ламп парковочного света и стоп-сигнала подается через контрольное реле K1 ламп. Если какая-либо лампа горит, реле включается соответствующим светодиодным индикатором в блоке 5 (см. Панель приборов) бортовой системы мониторинга.
Индикаторы направления
. Индикаторы направления для правого борта или стороны порта активируются с помощью рычага переключателя. В аварийном режиме переключатель 42 включает все указатели поворота. Мигание ламп обеспечивается реле-выключателем KZ в монтажном блоке.
Свежие записи
Потенциометр R3 используется для точной настройки, чтобы автомат реагировал на входное напряжение в диапазоне 13,2…13,3. В некоторых странах включение фар необходимо при движении автомобиля. Правда и этот метод нравится далеко не всем, так как такая схема намного сложнее нужно тянуть провода и произвести соединения. Я же вспомнил, что в последние годы появилось много диодов Шоттки, отличающихся, в частности, меньшим раза в падением напряжения и очень большими допустимыми прямыми токами.
Спрашивать нужно мощные диоды Шоттки в корпусе TO
После выключения двигателя освещение отключается.
Способ 2: Подключение к ручнику Это способ намного проще, так как в этом случае достаточно лишь чуть-чуть доработать схему подключения фар при зажигании, о которой мы говорили в самом начале.
Работа: при включении зажигания схема переходит в режим ожидания, и при начале движения, получив сигнал от ДС, включает свет и реле К3, которое своими контактами К3. В байт 18 записываем правильную световую схему —
У электрика не нашлось диода, чтобы одновременно с включением фар горели габариты. При этом начнется разрядка конденсатора, входящего в блок управления работой фар, питание на реле подаваться не будет.
Хочу поделиться схемами и некоторыми нюансами.
Как сделать дальний свет автомобиля ярче
https://youtube.com/watch?v=0KNH7iqMUpQ

Нюансы включения ходовых огней
От контакта 85 К2 выполняем соединение к розово-черному проводу, идущему от КВ «ручника». На большинстве автомобилей это выполнено при конструировании на заводе изготовителе, а где это не реализовано можно легко сделать.
Как видно, проблема весьма актуальна.
Релюшки, которые есть в магазинах, для автоматизации включения и выключения ближнего света имеют на наш взгляд следующий недостаток — они либо реагируют на уровень напряжения в бортовой сети автомобиля а в классике просадки могут быть очень немалыми ввиду применяемости в стоке слабых генераторов. Решил отчитаться.
Загорелись ПТФ, схема сработала, все хорошо. Лампы фар менять не пришлось.
Схемы электрооборудования Лада Ларгус
Сначала потребуется демонтировать выключатель габаритов, место его расположения — крайний левый блок выключателей. Такие аспекты нужно отдельно учитывать. Некоторые автолюбители заявляют, что подключить ходовые огни можно и без стабилизатора. Схема вторая Предупредить вышеупомянутые проблемы можно несколько усложнив схемы.
Включенные в схему транзисторы подадут напряжение на реле, что вызовет включение осветительных приборов. Положение подрулевого переключателя фар — любое, зажигание выключено «стоянка» — ближний свет и габариты отключены. Принцип работы: Зажигание выключено — на реле нет напряжения и фары не горят.
Свежие комментарии
При выключенном зажигании не добавилось потребителей электричества от бортсети. Такую схему я на две машины уже инсталлировал: на Ниву и на пятёру там генератор аналогичный. Убеждаемся, что на нем появляется 12 вольт при включении задней скорости, разрезаем провод и соединяем ту часть, что уходит назад с контактом 12 разъема t73b BCM. Именно то соединение, которое мы уже разрезали, когда устанавливали регулятор яркости подсветки.
Более высокий показатель сопротивления означает, что для изменения статуса осветительного устройства потребуется больше времени. Такое включение-выключение продолжается где-то секунд 10, потом в машине щелкает какая-то релюшка не из нашей схемы и все встает на свои места.
Подключение доп.фар через реле
Дедовский метод или вредный совет?
Первые морозы уже на подходе. Скоро и снег пойдет. В каких-то российских регионах зима уже началась. И вместе с морозцем по утрам приходят и проблемы с запуском мотора. Эта традиционная проблема зимнего период в нашей стране.
Несколько десятилетий в России среди опытных водителей ходит поверье, что в морозную погоду перед тем, как завести машину, нужно сначала включить фары. Это выдают как совет новичкам, и многие начинающие водители прислушиваются к автомобилистам со стажем и делают именно так. Но перед тем, как прислушиваться ко всем водительским байкам, нужно разобраться, а не вредную ли рекомендацию дали вам? Возможно, дедовский метод уже неактуален или даже опасен для вашей машины?

Варианты автоматизации
Установить автоматический включатель и выключатель, который будет отвечать за ближний свет, вполне можно своими руками. Но для начала следует определиться, какой из способов реализации схемы вам подходит больше остальных.
Всего предлагается 3 актуальных варианта:
- включение при активации зажигания;
- автовключение оптики после пуска мотора;
- использование специального датчика света.
Реализовать каждую схему автоматизации ближнего света можно в гаражных условиях. Но если вы не обладаете необходимыми навыками, сомневаетесь в своих возможностях, или просто хотите получить гарантированный результат, обратитесь за помощью к специалистам.
Датчик света
На множестве автомобилей зарубежного производства уже в заводской комплектации предусмотрено специальное устройство, которое в автоматическом режиме включает и выключает оптику машины. Они работают в тандеме с датчиком света.
Девайс реагирует на изменение уровня освещения. Если датчик фиксирует потемнение, фары включаются. Когда машина находится на светлом участке дороге, происходит автоматическое отключение. Во многих странах такая функция очень полезная и удобная. Но не совсем подходит для РФ.
Всё дело в требованиях постоянно, днём и ночью, ездить с включённым ближним светом или дневными ходовыми огнями. Потому в этой ситуации работу датчика приходится корректировать.
Включение и отключение ближнего света должно стать для водителей привычкой при отсутствии системы автоматизации. Если забывать про освещение перед началом движения, это грозит штрафом. Если же автоматическое выключение не работает или попросту отсутствует, включённые фары на припаркованном автомобиле к утру посадят аккумуляторную батарею.
Водителям, которые не могут приучить себя включать и выключать свет по мере необходимости, лучше всего воспользоваться средством автоматизации. Одним из них считается специальный датчик.
На выбор автомобилистам предлагается вариант самостоятельного изготовления устройства, либо же покупка фирменного девайса. Тут однозначно нужно останавливаться на втором варианте. Устройства автоматического включения и выключения фар предлагают следующие признанные компании:
Большинство девайсов основаны на датчике света. А это, как вы уже помните, не подходит под правила дорожного движения, действующие в РФ. Это не проблема, поскольку некоторые устройства перенастраиваются, что позволяет адаптировать под несколько иную работу.

Датчик света
Подробно расписывать нюансы установки устройства с датчиком света нет необходимости. Каждый производитель комплектует свою продукцию подробной инструкцией. Они могут отличаться друг от друга по способу монтажа. Но в действительности здесь нет ничего сложного.
Бывалые водители советуют устанавливать датчик света не наружу, а в сторону салона в район зеркала заднего вида, где он обычно стоит на машинах с датчиками заводского производства.
Среди представленных вариантов установка датчика считается наименее практичным и рациональным способом автоматизировать включение и выключение оптики. Да, в определённых ситуациях девайс значительно упрощает управление транспортным средством, поскольку водителю не приходится отвлекаться на переключатели.
Но при этом датчики света не всегда адекватно реагируют на дорожную ситуацию. Некоторые участки дорог могут заставить контроллер сходить с ума, поскольку затемнение быстро сменяется светлым участком, и так происходит постоянно. В итоге фары то включаются, то выключаются. Вряд ли такое понравится сотрудникам ГИБДД. Да и сам водитель будет испытывать серьёзный дискомфорт от подобной светомузыки.
Зажигание
Неплохой вариант того, как сделать на машине автоматическое включение ближнего света, предусматривает использование зажигания. Задумка заключается в том, чтобы фары включались после запуска зажигания.
Для реализации схему для начала требуется подключить осветительные приборы к источнику питания. Поскольку одни приборы подключаются вне зависимости от положения замка зажигания, а другие только после зажигания, тут нужно правильно выбрать источник. Наиболее предпочтительным решением считается кнопка для активации печки.
Штраф за невключенный ближний свет
Добрый день, уважаемый читатель.
В этой статье будет рассмотрен штраф за невключенный ближний свет фар, а также штрафы за другие нарушения правил пользования световыми приборами.
Напомню, что начиная с 20 ноября 2010 года на всех движущихся транспортных средствах должны быть включены либо дневные ходовые огни, либо ближний свет фар, либо противотуманные фары независимо от времени суток и условий видимости.
Однако довольно часто на дорогах встречаются автомобили, водители которых забыли включить ближний свет днем. Кроме того, ежедневно попадаются и движущиеся машины, у которых не горит один из осветительных приборов (фара или габаритный огонь).
В этой статье речь пойдет о штрафах для водителей перечисленных выше транспортных средств.
Штраф за невключенный ближний свет фар
Для начала напомню, что чтобы не получить штраф за неправильное использование световых приборов, Вам достаточно каждый раз при посадке в автомобиль включать ближний свет фар. Действующие правила дорожного движения разрешают использование ближнего света (совместно с габаритами) днем и ночью в любых погодных условиях.
Кроме того, ближний свет фар является и достаточным условием для того, чтобы не получить штраф за неправильное использование световых приборов. Итак, если на Вашем автомобиле включен ближний свет фар и все лампочки в фарах работоспособны, то штраф ГИБДД, относящийся к световым приборам, наложен быть не может.
Если же Вы нарушили правила пользования световыми приборами, то наказанием будет служить предупреждение или штраф в размере 500 рублей (статья 12.20 КоАП).
Однако давайте рассмотрим ситуации, в которых штраф на водителя все же может быть наложен:
- При начале движения водитель забыл включить ближний свет фар. Ситуация достаточно типична для светлого времени суток, т.к. невключенные фары днем можно заметить далеко не сразу.
- На автомобиле, оборудованном дневными ходовыми огнями, водитель забывает включить ближний свет при наступлении темного времени суток.
- Водитель забывает переключить дальний свет фар на ближний при въезде на освещенную улицу в населенном пункте, либо при сближении со встречным транспортным средством.
- Использование заднего противотуманного фонаря в любых условиях, кроме условий недостаточной видимости.
Согласитесь, размер наказания за рассматриваемое нарушение не велик. Тем не менее хочу напомнить, что при возникновении абсолютно любого дорожно-транспортного происшествия, водитель, неправильно использующий световые приборы, автоматически становится одним из его виновников.
Например, при столкновении автомобилей, один из которых движется по главной дороге с выключенным ближним светом фар, а другой по второстепенной с соблюдением ПДД, с большой степенью вероятности виновниками ДТП будут признаны водители обоих автомобилей. Т.е. каждый из них сможет получить только половину компенсации от страховой.
В то же самое время включение ближнего света или дневных ходовых огней первым водителем позволит ему остаться невиновным, и получить от страховой полную компенсацию на ремонт автомобиля.
Штраф за неработающую фару
Давайте рассмотрим еще одну ситуацию, которая довольно часто встречается на отечественных дорогах, — у автомобиля не работает лишь одна фара или один габаритный огонь.
В данном случае водитель нарушает не правила использования световых приборов, как в предшествующем случае, а требования переченя неисправностей и условий, при которых запрещается эксплуатация транспортных средств.
Обратите внимание на пункт 3.3. этого документа:
3.3
Не работают в установленном режиме или загрязнены внешние световые приборы и световозвращатели
3.3. Не работают в установленном режиме или загрязнены внешние световые приборы и световозвращатели.
Он запрещает эксплуатацию автомобиля в случае неработающей фары либо загрязнения световых приборов.
В данном случае наказание предусмотрено частью 1 статьи 12.5 КоАП и также может быть вынесено в виде предупреждения либо административного штрафа в размере 500 рублей.
Кроме того, следует обратить внимание на пункт 2.3.1. правил дорожного движения, который запрещает движение при негорящих или отсутствующих фарах и задних габаритных огнях в темное время суток или в условиях недостаточной видимости. Ну а напоследок предлагаю Вам посмотреть забавное видео про водителя, который забыл включить ближний свет фар:
Ну а напоследок предлагаю Вам посмотреть забавное видео про водителя, который забыл включить ближний свет фар:
Удачи на дорогах!
pddmaster.ru
Как включить ближний свет фар на Хендай Солярис?
Видео демонстрирует, как можно включить ближний свет фар
и габаритные огни на ХендайСолярис . Как заменить лампочку ближнего света на рено дастер? Рено ближний свет. Всем привет! Подскажите, как включить ближний свет вместе с противотуманками на рестайле (comfort+расширенный)? Если не горит. На солярисе с завода установлена ближний свет весь светокорректор фар ламп h4. Лутше отключить омыватели фар а как работает омыватель фар? На ниссан х трейл 2.0. Вы также може. поехал вечером куда то- свет сам включился, вроде все классно, но кнопочки не подсвечиваются. включаешь вручную, сперва габариты, потом ближний- свет опять гаснет, потом опять включается. а ксенончик то страдает.приехал вечером домой, свет забыл погасить, утром аккум сдох. кто виноват? привычка к автоматическому свету.
ну и таких примеров много)) кому то удобно, не спорю, но я лично минусов вижу больше чем плюсов))
О, пасиб за консультацию — приму к сведению)))
ксенону очень не нравится, когда его включают-выключают.это, кстати, касается и лампочек и блоков розжига.новая лампочка сдохла за месяц.
ты сидишь в машине, вдруг окно открыть надо, включил зажигание, фары загорелись. выключил зажигание- потухли. покурил- опять закрываешь окно- та же фигня.поехал вечером куда то- свет сам включился, вроде все классно, но кнопочки не подсвечиваются. включаешь вручную, сперва габариты, потом ближний- свет опять гаснет, потом опять включается. а ксенончик то страдает.приехал вечером домой, свет забыл погасить, утром аккум сдох. кто виноват? привычка к автоматическому свету.
ну и таких примеров много)) кому то удобно, не спорю, но я лично минусов вижу больше чем плюсов))
Спасибо за пост — познавательно…А ошибки не выдает баркас в связи с изъятием предохранителя?!
лучшее спасибо- это кнопочка нравится))ошибки не выдает, и честно говоря, не думаю что он умеет выдавать ошибки))
ксенону очень не нравится, когда его включают-выключают.это, кстати, касается и лампочек и блоков розжига.новая лампочка сдохла за месяц.
ты сидишь в машине, вдруг окно открыть надо, включил зажигание, фары загорелись. выключил зажигание- потухли. покурил- опять закрываешь окно- та же фигня.поехал вечером куда то- свет сам включился, вроде все классно, но кнопочки не подсвечиваются. включаешь вручную, сперва габариты, потом ближний— свет опять гаснет, потом опять включается. а ксенончик то страдает.приехал вечером домой, свет забыл погасить, утром аккум сдох. кто виноват? привычка к автоматическому свету.
ну и таких примеров много)) кому то удобно, не спорю, но я лично минусов вижу больше чем плюсов))
а ближний автоматом на солярисе при включеном зажигании не от ручника включается? из-за автовключения света привык на ручник постоянно ставить)у меня на рио даже когда свет включеным оставляешь, после выблючения зажигания габариты горят, а когда на сигналку ставишь, то и они гаснут…
Общие сведения о наружном освещении автомобиля
Система освещения современного автомобиля объединяет множество осветительных приборов. Кроме внешнего система также обеспечивает освещение салона, капота и даже багажного отделения (в некоторых автомобилях). Внешние осветительные приборы включают: фары ближнего и дальнего света, расположенные спереди, противотуманные фары, фары-поворотники, габаритные огни, стоп-сигналы и осветители номерного знака.
Передние фары
Фары, расположенные спереди, обеспечивают хорошую видимость дороги в условиях отсутствия естественного или искусственного освещения последней либо его недостаточность. Эти фары также предназначены для того, чтобы водители, приближающиеся по встречной полосе, были в курсе наличия встречного движения. На большинстве современных автомобилей передние фары имеют единую конструкцию, в состав которой входит фара дальнего и ближнего света.
Ближний свет фар является ассиметричным и обеспечивает лучшее освещение по бокам дороги. Дальний свет фар, напротив, обеспечивает лучшее освещении впереди, по ходу движения, но его не рекомендуется использовать при наличии встречного потока, так как такой свет очень яркий и может ослепить других водителей. Более того, использование дальнего света после подачи другими водителями специальных сигналов о просьбе переключить на ближний, считается грубым нарушением ПДД и может привести к ДТП и административной ответственности.
Фары-поворотники
Фары-поворотники нередко встраиваются в конструкцию вместе с фарами ближнего и дальнего света. Они управляются рычагом, находящимся на левой стороне от руля. Этот рычаг, при его перемещении, включает один из поворотников, затем, при повороте рулевого колеса, фиксирует положение характерным щелчком и, после завершения маневра, автоматически возвращается в исходное положение. Фары-поворотники устанавливаются как спереди, так и сзади автомобиля. А у некоторых транспортных средств эти фары имеются и по бокам (как правило, у большегрузных и маршрутных транспортных средств). Некоторые дублирующие фары-поворотники устанавливаются в тыловую часть зеркал заднего вида.
Габаритные и дневные ходовые огни
Габаритные огни представляют информацию о размерах автомобиля другим водителям. Они расположены и в передних и в задних блок-фарах. Огни автоматически включаются при торможении автомобиля, а также когда двигатель автомобиля работает на остановке или стоянке.
Дневные ходовые огни значительно улучшают видимость автомобиля другими участниками движения. Отличаются от габаритных более интенсивным светом.
Противотуманные фары
Противотуманные фары не являются обязательными и могут быть установлены, по желанию автовладельца, уже после приобретения автомобиля. Свет этих фар достаточно специфичный и расфокусированный. При движении в тумане, он как будто «прорезает» дымку насквозь, освещая различные препятствия впереди, в виде других транспортных средств, упавших деревьев, камней и т.д. Противотуманные фары, как правило, устанавливаются спереди, снизу от основных осветительных приборов.
Остальные световые приборы
Особыми внешними световыми приборами являются проблесковые маячки. Эти приборы устанавливаются на автомобили специальных служб (МВД, ФСБ, МЧС, скорая медицинская помощь и т. д.) и предназначены для привлечения внимания других участников дорожного движения, чтобы те были готовы в нужный момент уступить дорогу такому транспортному средству. Эти приборы представляют собой два маячка, вращающихся вокруг своей оси.
Маячки, как правило, бывают синего и красного цвета. Кроме вышеупомянутых транспортных средств, проблесковые маячки также устанавливают на транспортные средства, перевозящие опасные грузы и водители специальных инженерных машин
Но такие маячки не дают им преимущества в движении, а лишь информируют водителей о необходимости соблюдения осторожности
Отдельной категорией внешних световых приборов являются световозвращающие элементы (знак аварийной остановки, обозначения габаритов груза и т. д.). Но их регулировка не вызывает особого труда, т. к. они всегда устанавливаются вручную и временно.
Автоматическое включение фар: схема, доступные варианты, преимущества
Вполне логично, что именно автоматическое включение ближнего света является той самой опцией, которая позволяет не опасаться ситуации, когда перед поездкой водитель забыл включить свет. При этом на многих импортных авто устройство автоматического включения есть, но его срабатывание происходит только с учетом определенных условий (изменение освещения, сигнал от датчика дождя и т.д.)
Однако по ПДД в РФ свет должен быть включен постоянно, независимо от того, темно на улице или светло. Некоторые владельцы, чтобы не забыть включить свет, вынуждены в светлое время суток оставлять машину на парковке с включенными фарами, тем самым разряжая аккумулятор.
Другими словами, фары должны включаться параллельно запуску ДВС. Также можно реализовать отключение света после того, как двигатель глушится. Кстати, для автомобилей, которые не имеют даже штатного датчика света (отечественные авто, старые или бюджетные новые иномарки), срабатывающего в случае изменения освещенности, постоянно включенный ближний свет позволит повысить безопасность при езде по тоннелям, под мостами и т.д.
Если желания ставить на машину самодельные устройства нет, тогда заводские решения окажутся наилучшим вариантом. Однако функционал может быть несколько ограничен. Главное, как в первом, так и во втором случае подобные решения позволяют реализовать автоматическое включение света фар, свет включается синхронно в момент включения зажигания или пуска двигателя.
При этом еще раз отметим, что разные схемы отличаются функциональностью. Например, можно сделать так, чтобы днем горели только фары, а в темное время суток подключались габариты и т.д.
Схемы автоматического включения фар при запуске двигателя
Давайте рассмотрим несколько наиболее популярных решений. Основной задачей для автовключения света фар является подача на него питания. Это питание можно взять от зажигания. Однако следует помнить, что в авто зачастую есть и другие устройства, запитанные на замок зажигания. С этим могут возникнуть сложности.
Например, если магнитола включается после первого поворота ключа в замке, фары также могут срабатывать именно в этот момент. Такие аспекты нужно отдельно учитывать. Получается, двигатель заглушен, а ближний свет уже горит.
Отметим, многие водители считают, что подобная схема приводит к тому, что нагрузки на электроцепь возрастают. На практике правильно выполненное подключение сводит к минимуму или исключает такие нагрузки.
Чтобы реализовать автоматическое включение осветительных приборов по самой простой схеме своими руками, необходимо приобрести:
- штатное реле (пятиконтактное),
- проводку и диоды;
Более сложной и одновременно более удобной является схема, когда, простыми словами, фары запитываются на стояночный тормоз или датчик давления масла. Для успешного внедрения такого решения потребуется иметь 2 транзистора, проводку, реле и микросхему типа К561ТП1 или похожую.
Давайте начнем с первой схемы. При установке наилучшим образом подойдет кнопка выключения печки, которая расположена на блоке выключателей. Все работы сводятся к тому, чтобы снять выключатель габаритов, затем разъединяются провод «+» и колодка клавиш, через которую реализовано включение ближнего света фар.
Само подключение производится при помощи двойного провода, который соединяется с реле. В провод «+», который идет на выключатель печки, осуществляется врезка еще одного провода, который тоже подключается к реле. Далее к реле протягивается провод, через который подается питание на сами фары. Еще один провод «массы» кидается на корпус. На этом подключение закончено.
Остается только все соединения или перепаять, или же все «скрутки» тщательно заизолировать. В результате получается система включения ближнего света в момент включения зажигания.
К минусам можно отнести то, что в зимний период нагрузка на АКБ в момент пуска будет выше, машина будет прогреваться с включенными фарами и дополнительно расходовать топливо и т.д.
Чтобы избавиться от недостатков, можно задействовать следующую схему. Доработки позволят отключить свет после остановки ТС, причем независимо от включения самого зажигания. Для этого подключение выполняется к стояночному тормозу или к датчику давления масла. Как уже было сказано выше, в основе лежит микросхема, а соединение осуществляется через «ручник» или датчик давления масла.
Автоматическое включение фар после запуска двигателя
Чтобы организовать подобную схему работы, можно пойти в двух направлениях: подключиться к датчику давления масла или к ручнику.
Способ 1: Подключение к датчику давления масла
Для осуществления такого подключения потребуется:
- реле;
- транзистор (2 штуки);
- провода;
- микросхема К561ТП1.
Все детали размещаются в небольшом корпусе от реле, после чего прибор необходимо подключить к датчику давления масла. Когда давление в системе смазки двигателя нормализуется, то есть при включении мотора, датчик будет размыкаться, а питание с него перейдет на конденсатор. В конечном счете, напряжение на реле будет подаваться через включенные в подачу питания фар транзисторы. При отключении двигателя, питание с датчика подается на нужную лампу, расположенную на приборной панели. В это время конденсатор, который входит в блок управления фарами начинает разряжаться и подача питания к реле останавливается.
Рекомендуем: Как ездить на автомате зимой: советы и рекомендации
Это интересно: Стоит ли устанавливать дополнительные накладки на ремень безопасности

В этом случае управлять фарами можно также в ручном режиме, если применить параллельное подключение. Для того чтобы задать время отключения и включения фар достаточно подобрать сопротивление на плате. Чем этот параметр будет выше, тем через больший отрезок времени фары включатся и отключатся.
Правда и этот метод нравится далеко не всем, так как такая схема намного сложнее (нужно тянуть провода и произвести 3-4 соединения).
Способ 2: Подключение к ручнику
Это способ намного проще, так как в этом случае достаточно лишь чуть-чуть доработать схему подключения фар при зажигании, о которой мы говорили в самом начале. Для этого достаточно добавить еще одно реле и короткий провод (порядка 25 см) к штатному контакту кнопки ручника.

Благодаря такому способу фары будут отключаться, как только вы потяните ручник, и загораться когда вы его отпустите.







