Принцип работы автоматической коробки передач
Автоматическая КПП состоит из двух основных компонентов: гидромеханического узла и системы управления. Как нетрудно догадаться, первый выполняет основную работу – передает от двигателя к ведущим колесам крутящий момент, а вторая определяет порядок работы.
Система управления АКПП включает в себя блок управления, входные датчики, исполняющие механизмы. В систему управления входят датчики, определяющие:
- положение рычага селектора;
- частоту вращения на входе коробки и выходе из нее;
- температуру масла;
- а также датчики режимов «кик-даун» и «типтроник», если АКПП имеет ручной режим.
Блок управления на основе информации, получаемой с датчиков, определяет порядок, в котором происходит переключение передач так, как заложено в программе. Помимо входных датчиков, блок управления получает данные от других систем автомобиля: АБС, электронной системы управления двигателем (ЭСУД), рулевого управления и климат-контроля.

На основании показаний датчиков других систем, блок управления коробкой передач определяет условия движения автомобиля:
- пробуксовку;
- движение на подъем;
- спуск;
- повороты.
Современные автомобили оснащаются адаптивными «автоматами», т.е. теми, которые могут приспосабливаться под конкретного водителя. Блок управления оценивает такие параметры, как интенсивность разгона и торможения. На основании этой информации запускается тот или иной алгоритм работы АКПП. Помимо этого, блок управления адаптивной автоматической коробкой передач учитывает условия движения автомобиля: наличие прицепа, спуск, подъем, повороты, гололед, едет машина по городу или по трассе.
Более подробно с логикой и порядком работы АКПП можно ознакомиться на видео.
Как правильно использовать типтроник
Включить функцию ручного переключения можно несколькими способами:
- Передвинуть рычаг КПП вправо, после чего, этим же рычагом можно двигать вперед-назад, там еще будут нарисованы + и -, которые соответствуют повышенной и пониженной передаче. Такие ручные переключения хорошо будут работать, если автомобиль будет ехать на скорости, причем система позволит переключить передачу вниз только в том случае, если обороты мотора будут в допустимых пределах, чтобы двигатель не насиловать.
- Использовать подрулевые лепестки, на которых нарисованы + и -, они также позволяют включить повышенную или пониженную передачи, если не использовать эти кнопки, то система будет работать в автоматическом режиме, как обычная коробка автомат. Надеюсь, как пользоваться типтроником теперь стало понятно.
Рекомендуемая статья: Расход топлива Mazda CX 7 не такой большой и не превышает 15 л
Адаптивная коробка передач – что это?
Если раньше автомобилисту требовалось самостоятельно переключать скорости, сегодня автоматизированная коробка передач самостоятельно включает ту или иную передачу, определяя наиболее оптимальную, следуя определенным алгоритмам.
Адаптивная коробка передач — что это?
Автоматизированная коробка передач еще известна как адаптированная или коробка-автомат.
Автоматическое переключение режимов езды возможно, благодаря электронике. Главный компьютер учитывает:
- разгон водителя — ускоренный или спокойный;
- предпочтительный тип движения, при котором включается высокая передача для экономии топлива;
- предпочтительный разгон — если разгон быстрый, программа активирует спортивный режим езды;
- предпочтительное торможение — если водитель резко нажимает на педаль тормоза, АКПП переключается в спортивный режим с ранним переходом на пониженные передачи.
Проанализировав стиль езды автомобилиста, компьютер подбирает определенные скорости.
Адаптивная АКПП — что это?
КПП — сокращение понятия «коробка передач». АКПП — это автоматическая коробка передач.
Изменение передаваемого момента происходит ступенчато, что может доставлять некоторые неудобства при экстренном торможении или быстром разгоне. Хотя имеются различные варианты коробки-автомат, АКПП умеет переключать передачи только поочередно. Механическая же коробка передач позволяет менять скорость по своему усмотрению на более оптимальную при разных ситуациях. Например, можно с третьей передачи сразу переключиться на пятую.
На сегодняшний день практически все автомобили оснащаются коробкой-автомат, которая, по словам определенной группы водителей, намного удобней обычной. Однако удобство автоматической коробки — понятие относительное.
Адаптивная КПП: плюсы и минусы
К основным плюсам автоматизированной коробки передач можно отнести следующие моменты:
- АКПП создает более комфортные условия вождения автомобилем;
- скорости переключаются автоматически по определенному алгоритму — в зависимости от скорости транспортного средства, состояния дорог и т.п.
- снижается расход топлива за счет подбора скоростей и режимов.
Минус автоматической коробки передач — неверное определение режима в некоторых случаях, что доставляет некоторые неудобства водителю при плохих дорогах, где нужны различные маневры.
Адаптивная коробка автомат: варианты
Алгоритм определения скорости и конструкция адаптированной коробки передач могут существенно отличаться, в зависимости от модели автомобиля. На более дешевых автомобилях среднего класса устанавливается коробка-автомат с минимальным количеством режимов. Всего можно выделить три основных режима: экономичный, стандартный и спортивный. Чем круче транспортное средство, тем больше программ «вшивается» в АКПП.
Разработаны специальные автоматические коробки передач для гоночных автомобилей, которые переключают скорости только в последовательном режиме. С четвертой передачи можно перейти на пятую или третью. Такая коробка-автомат получила название секвентальная.
Обычная же механическая коробка передач позволяет переключаться между передачами с любой скорости, например, со второй на четвертую или с пятой на третью.
В некоторых случаях автоматизированная коробка может «забыть» стиль езды водителя. В таком случае автомобилисту нужно проехаться несколько километров по разным участкам дороги, чтобы компьютер заново записал информацию.
Частые ошибки
Есть распространенные ошибки, которые допускают водители, в процессе управления коробкой автомат:
- Осуществлять перевозку тяжелых прицепов на машине с «автоматом».
- Запускать автомобиль с «толкача».
- Начинать интенсивное движение без прогрева.
- Включать во время движения режим R либо P.
- Глушить мотор в любом положении рычага АКПП, кроме P.
Автоматическая трансмиссия во многом удобнее классической механики, за счет отсутствия необходимости водителю самостоятельно переключать передачи. Но в первое время требуется научиться водить такую машину. Для этого можно использовать учебные пособия по управлению авто с АКПП для чайников. Видеоуроки также позволят быстрее освоить вождение на «автомате».
Основные режимы управления
Правильная эксплуатация автоматической КП позволит избежать поломок, нарушений, сопровождающихся дорогостоящим ремонтом. Чтобы понять, как работает АКПП, нужно учитывать, что прямое соединение между колесами и мотором отсутствует. А запуск силовой установки возможен только при определенном положении селектора при выжатой педали тормоза.
Дальнейшее переключение в режим движения также происходит после нажатия на тормоз и полной остановки.
Прежде чем начать управление, стоит изучить основные режимы и их предназначение:
Дополнительные алгоритмы движения:
Важно:
В зависимости от исполнения, коробка передач может включать спортивный (S), нормальный режим движения. Отдельно выделяется и техническая кнопка «Shift», предназначенная для снятия блокировки селектора, когда машина обесточена.
Механика: надежность и популярность
Наибольшей популярностью среди автолюбителей пользуется механическая коробка передач. Принцип ее работы заключается в работе двух зубчатых колес, одно из которых вращается двигателем, второе – передает вращение колесам. Переключение производиться механическим способом – водитель при помощи рычага переключения и педали сцепления (работая вкупе с педалями газа и тормоза) выбирает необходимую передачу, которая определяет крутящий момент и скорость автомобиля. Именно это у новичков вызывает затруднения – нужно уметь грамотно переключаться между скоростями, плавно отпускать сцепление и знать в какой момент включить ту или иную скорость. Установлена механика может быть на любой тип привода (задний, передний или полный).
Механика гораздо дешевле в обслуживании и ремонте, по сравнению с другими коробками. Автомобили на МКПП так же дешевле своих оппонентов. Конструктивно она тоже проще прочих вариантов, потому и ремонт/замена обойдутся для кармана в меньшую сумму, чем с остальными коробками передач.
Большая популярность механики объясняется тем, что она позволяет владеть автомобилем в большей степени, чем это позволяют сделать иные коробки. С механической коробкой водитель сам решает какую передачу включить, а потому скорость и крутящий момент находятся под его полным контролем. Благодаря чему расход топлива с такой коробкой оказывается наименьшим. Таким образом, механика обладает наивысшим КПД среди прочих коробок передач.
Подытоживая выше перечисленное стоит коротко изложить плюсы и минусы механической коробки передач. Из достоинств стоит выделить:
- наименьшую стоимость;
- простоту конструкции;
- меньший расход топлива, чем у автомобилей с другими коробками;
- высокую эффективность работы, позволяющую максимально хорошо владеть автомобилем;
- отличную динамика.
Из минусов можно выделить разве что необходимость постоянно «мутузить» рычаг и педали.

Автомат: удобство и легкость
Вторая по популярности коробка передач на сегодняшний день – автомат. Она представляет собой своего рода «усложненную» механику, в которую добавили механизм, самостоятельно переключающий передачи. Водителю нужно только выбрать один из четырех режимов (парковка, нейтралка, задний ход и драйв – езда) и нажать на педаль, а остальное за него сделает автомат. Что касается педалей, то их здесь две: газ и тормоз, сцепления нет. С точки зрения удобства управления автомобилем автоматическая коробка позволяет беззаботно и просто вести его, не требуя постоянного взаимодействия с рычагом и педалями – лишь выбор нужного режима и нажатие на педаль газа. Неплохой ступенчатый вариант коробки для беззаботной езды.
Но, учитывая более сложную конструкцию этой коробки, стоит учесть и более высокую ее стоимость (как при покупке автомобиля, так и в случае ремонта, если случится поломка, или прочего обслуживания). К слову, и весит АКПП больше, чем механика, потому и авто будет иметь массу немногим выше. Также придется повысить затраты на топливо, потому как автомат «кушает» больше, чем его главный конкурент – МКПП. У этих двух коробок достаточно много отличий, потому многие автолюбители задаются вопросом: что лучше механика или автомат, отличия в каждой из которых видны даже не вооруженным глазом (от стоимости до принципов работы и эксплуатации).
Из плюсов автомата выделяются:
- удобное управление автомобилем без необходимости переключения передач;
- возможность автомата менять передачу при максимальной мощности двигателя;
- отсутствие отката при старте на ровном дорожном покрытии;
- увеличенный ресурс работы за счет защиты коробки, отчего перегрузка и неисправность при неправильном переключении передач ей не страшны (механика в руках новичков в таком случае неизменно страдает);
- встроенная противооткатная система, что позволяет предотвратить самопроизвольное движение автомобиля во время стоянки.
В числе минусов:
- больший (в сравнении с механикой) расход топлива;
- высокая стоимость покупки, ремонта, обслуживания;
- динамика, уступающая МКПП;
- временные задержки при переключении передач;
- откаты при старте на наклонной площади.
Из выше изложенного видно, что МКПП и АКПП обладают широким рядом отличий, а потому и вопрос – что лучше механика или автомат – можно считать вполне закономерным.
5 самых ломучих АКП: не связывайтесь с ними!
На самом деле очень многое в судьбе коробки зависит от манеры езды конкретного водителя и условий эксплуатации.
Коробка передач — второй по цене и значению агрегат автомобиля после двигателя. От его надежности зависит удобство и сама возможность эксплуатации автомобиля, а также стоимость при продаже вашей ласточки. Совсем уж плохих автоматических коробок передач нет. Ну не могут солидные фирмы (а другие и не в состоянии обеспечить массовые продажи своих автомобилей на нашем рынке) делать откровенно плохие механизмы! Просто при создании некоторых агрегатов не полностью учли определенные особенности эксплуатации. Например, то, что на кроссовере кто-то поедет в лес по колее, оставленной лесовозом, что на бюджетной легковушке с каждого светофора будут стартовать как в последний раз.Мы рассмотрим самые распространенные на нашем рынке автоматы. Раз массовые, значит, какому-то проценту владельцев не повезло, и это они поднимают на форумах «девятый вал», жалуясь на плохую трансмиссию. При этом множество владельцев таких же автомобилей ездят и радуются: они не знают ни о неисправностях, ни даже о тех форумах и клубах.
7-ступенчатая роботизированная DSG (DQ200)
Самой проблемной из всех фольксвагеновских коробок передач является 7-ступенчатая DQ200 с двумя сухими сцеплениями. Она появилась в 2006 году. Ставили агрегат на многие автомобили Volkswagen, Audi, Skoda и Seat.
Golf, Jetta, Octavia, Passat, Ibiza, Leon — вот далеко не полный перечень моделей, на которых концерн внедрил «робота-терминатора». Спроектировали DSG7 в свое время вдогонку к гораздо более надежной и ресурсной коробке передач с двумя сцеплениями мокрого типа. Основными претензиями к коробке с двумя сухими сцеплениями были грубые, дерганые переключения передач, вибрации и быстрый износ дисков сцепления. При этом наихудшие результаты показывала семиступенчатые коробки, выпущенные до начала 2014 года.
Hydra-matic GM 6T30/6T40
В России коробки Hydra-matic GM 6T30/6T40 встречаются на автомобилях Chevrolet Cruze, Aveo, Cobalt, а также на моделях Opel Astra J, Mokka, Antara.
Вариатор Jatco JF011E
Не все автолюбители в стране благосклонно относятся к самому массовому вариатору — Jatco JF011E. На свои автомобили их устанавливают Nissan, Renault, Mitsubishi, Citroen, Peugeot, Dodge, Jeep и Suzuki.
ВАЗовская АМТ — роботизированная коробка передач с одним сцеплением
АВТОВАЗ впервые начал выпускать автоматическую коробку передач как модификацию обычной механики, только снабженной электроприводами переключения передач и сцепления. Коробка получила название АМТ и была преподнесена как прорыв в отечественном автомобилестроении. Бестселлер среди отечественных машин — Lada Vesta практически с самого начала производства стала комплектоваться этой коробкой передач.
Гидромеханическая DP0/DP2
Многие автолюбители, пострадавшие от капризов четырехступенчатой гидромеханической коробки передач DP0, считают ее конструкцию местью французов за Ватерлоо.
Какие существуют режимы АКПП
У автоматической коробки передач имеется четыре основные режима:
- P- «паркинг» – для того, чтобы оставить машину стоять на определенное время без движения. Он фиксирует положение автомобиля на стоянке. Включать его можно только при полной остановке автомобиля. В этом состоянии следует заводить двигатель. При положении «Р» автомобиль не двинется с места, а двигатель будет работать на холостых оборотах.
- R – «задний ход» — используется, когда нужно проехать назад.
- N – «нейтраль» – когда нужно перекатить автомобиль с одного места на другое. На задние колеса не передаются вращения двигателя, но при отпущенных тормозах автомобиль может свободно катиться. В инструкции написано: «Никогда не включать при движении автомобиля — продолжительная езда на «нейтрале» может привести к выходу из строя коробки передач». Возражу на это словами Джеймса Бонда: «Никогда не говори никогда» — иногда включать режим «N» необходимо.
- D – «драйв» – для того, чтобы начать движение вперед. Этот режим предусмотрен для всех стандартных дорожных ситуаций. Цифры 4, 3 и 2 на автоматических 5-стуненчатых коробках передач означают, что переключение возможно только до соответственно 4-й, 3-й и 2-й ступеней. Он предусмотрен для езды по крутым перевалам, в горах с прицепом, в сложных условиях, для торможения на экстремальных спусках. На некоторых модификациях «мерседесов» есть режим «В» — торможение на экстремальных и длинных спусках, в частности, с прицепом, при скорости ниже 40 км/ч, тогда коробка передач переключается на нижнюю ступень. Переключать селектор из положения «D» в положение «4», «3», «2» и «В» можно при движении автомобиля, но не превышая допустимой максимальной скорости при различных положениях рычага. Для этого необходимо контролировать положение стрелки спидометра: первая скорость — одна метка, вторая скорость — две метки, четвертая скорость — четыре метки, или по тахометру, не превышая максимально допустимого числа оборотов двигателя.
О том, что представляет собой коробка типтроник читайте в нашем обзоре
Дополнительные режимы
- Режим «2» – доступные первые две передачи. В нем КПП блокирует выбор передач, ограничиваясь первой и второй передачами. Данный режим есть смысл применять при буксировке, а также на горных дорогах с извилистым профилем. Включение режима доступно и при движении, однако делать это следует лишь если скорость автомобиля ниже 80 километров в час. В противном случае высокие обороты могут негативно отразиться на двигателе автомобиля.
- Режим «L» – доступна только первая передача. Данный режим предназначен для езды в особо сложных условиях и на бездорожье. На кроссоверах и внедорожниках с данным режимом задействуется и понижающая передача. При этом включение данного режима возможно лишь при скорости машины ниже 15 километров в час. Перед тем, как ездить на коробке автомат по бездорожью, лучше включить режим заблаговременно.
- OverDrive (O/D) Данный режим применяется на коробках передач, которые имеют более трех ступеней и предназначен для совершения обгона либо в других ситуациях, когда требуется быстрый разгон автомобиля. Активируется он, как правило, нажатием кнопки на рычаге трансмиссии. Перед тем, как ездить на коробке автомат с использованием данного режима, следует помнить, что он принудительно не позволяет АКПП переключаться выше, чем до третьей передачи. Благодаря этому и достигается большая, в сравнение с обычной работой, динамика автомобиля. Использовать этот режим можно и при езде на затяжном подъеме. Дело в том, что обычный режим может в таком случае «колебаться», переключаясь то на третью, то на четвертую передачи. При использовании же «овердрайва» проблема исчезает.
- PWR/SPORT. Данный режим является программным и предназначен для активного вождения. При его активации ступени в коробке переключаются на более высоких оборотах, благодаря чему достигается максимальная динамика (расход топлива тоже становиться максимальным). Для того, чтобы понять, как ездить на коробке автомат в спортивном режиме, требуется, для начала, овладеть базовыми навыками езды на автомате ввиду того, что автомобиль субъективно становиться заметно резче в откликах на педаль «газа».
- SNOW – снег. Название этого режима говорит само за себя. Он предназначен для того, чтобы безопасно ездить в зимнее время года. Как ездить на автомате зимой, понять не сложно – достаточно включить данный режим. АКПП в таком случае будет «трогаться» со второй передачи, а переключения будут происходить на более низких оборотах. На асфальте автомобиль становиться менее динамичным, однако это сделано для безопасности на снегу
Это интересно: Как правильно менять топливный фильтр
Тонкости эксплуатации коробки автомат
Чтобы водитель смог начать движение, ему нужно перевести селектор в соответствующее положение, отключить ручной тормоз. Если постепенно ослаблять давление на тормоз, автомобиль начнет плавное движение. Когда требуется более быстрый старт, нажимают на газ, так, передачи начнут повышаться.
В то же время замедление обеспечивается уменьшением воздействия, а остановка снятием ноги с акселератора и понижением передач. Для резкой остановки, забрав ногу с газа, воздействуют на тормоз. А чтобы вновь начать активное движение, просто нажимают на газ.
Внимание:
Прежде чем начать движение нужно помнить правило – машину обязательно прогревают на протяжении нескольких минут. Когда на улице холодно, двигатель должен поработать не менее 10 минут, желательно при этом несколько раз переключать режимы КП. Так, масло быстрее нагреется до рабочей температуры, степень износа значительно уменьшится.
Важные рекомендации:
Дополнительные режимы АКПП
Автоматические трансмиссии современных транспортных средств с большим количеством рабочих диапазонов снабжены несколькими добавочными программами. Чтобы воспользоваться дополнительными возможностями, водители здесь пользуются специальными кнопками-переключателями:
- режим ЕСО (экономичный);
- спортивный S;
- kickdown —максимальных ускорений;
- зимний;
- аварийный.
При включении кнопки экономичной программы топливо расходуется в минимальном количестве, благодаря ограничению скоростного диапазона на каждой передаче. При переходе на повышенную ступень силовой агрегат сначала работает на холостых оборотах, постепенно повышая их, но не достигая максимума. Данная программа обеспечивает плавный спокойный ход машины.
В спортивном режиме S двигатель внутреннего сгорания работает на полную мощность, которая максимально используется коробкой перемены передач. При переключении АКПП на последующую передачу вращение выходного вала полностью передается на коробку, развивая все большее ускорение.
В режиме максимальных ускорений удобно совершать обгон на дороге.
Программа аварийного режима включается электронным блоком управления при возникновении неисправностей в ЭБУ или автоматической трансмиссии. Находясь в данном режиме, автомобиль имеет возможность самостоятельно дотянуть на одной передаче до ближайшего сервисного центра, не переключаясь.
Главные правила эксплуатации и ухода за классической АКПП
Разобравшись с основными и вспомогательными режимами классической автоматической коробки передач, давайте рассмотрим, как правильно эксплуатировать автомобиль с АКПП. Смотрите видео о том, как правильно пользоваться АКПП:
https://youtube.com/watch?v=sTOgTbS7JzY
Порядок действий для начала движения такой:
Правой ногой выжать педаль тормоза.
Рычаг выбора диапазона переместить с положения «P» или «N» в положение «D» или «R» (зависит от того, вперед или назад вам нужно двигаться).
Опустить стояночный тормоз
Плавно отпустить педаль тормоза
В этот момент автомобиль с небольшой скоростью начнет движение.
Для разгона авто нужно переместить правую ногу с педали тормоза на педаль акселератора (газа).
Далее, если вы начинали движение с режима «R», для перехода в позицию «движение вперед D», нужно опять выжать педаль тормоза и только после этого переводить РВД.
Внимание! В процессе управления автомобиля с автоматом, все манипуляции с педалями выполняются только правой ногой. Левая нога в управлении не участвует!
Для снижения скорости нужно просто плавно ослабить усилие нажатия на педаль газа или вообще ее отпустить, а передачи, опять-таки автоматически, будут переключаться от большей к меньшей
Для быстрого снижения скорости или полной остановки автомобиля, нужно пользоваться педалью тормоза.
Для трогания после кратковременной остановки либо для набора скорости после замедления хода, следует снова перенести ногу с педали тормоза на педаль акселератора.
Таким образом, водителю обычно бывает достаточно только в начале движения установить РВД в позицию «D» (движение), после чего управление автомобилем с автоматической коробкой передач осуществляется только путем попеременного нажатия педалей газа и тормоза, а также поворотом рулевого колеса.
Главное же правило эксплуатации автоматической коробки передач — это избегание резких ускорений, торможения, крутых виражей и вообще, всяких резких движений автомобиля, т.к. это приводит к увеличению расстояний между фрикционными дисками, а в дальнейшем и в дифференциале. В результате, автомобиль начнет дергаться при каждом переключении передачи.
Некоторые специалисты также рекомендуют давать «передохнуть» АКПП. Например, при парковке, после перевода РВД в положение «R», нужно позволить автомобилю буквально несколько секунд катиться на холостых оборотах, после чего уже давить на педаль газа. Даже для автомобилей, оснащенных мощными двигателями, резкие разгоны и ускорения могут грозить существенным сокращением ресурса как коробки, так и мотора.
Возможные режимы работ адаптивной АКПП
Как уже было сказано выше, такой тип коробки производит выбор передачи, учитывая манеру езды водителя. Она курирует вождение автомобилем в наиболее популярных режимах.
зимний режим
Особенности данного режима дают возможность уверенно водить на покрытой льдом дороге. Транспортное средство фактически гарантированно трогается на скользком покрытии. В данном режиме также возможно экстренное торможение, осуществляемое мотором и не позволяющее автомобилю значительно увеличивать тормозной путь на скользком дорожном полотне.
Зимний режим не имеет четкого приоритета скоростей. Только старт фактически всегда производится с третьей либо второй передачи.
спортивный режим
Спортивный режим контролирует и обеспечивает спортивный стиль езды. Он дает возможность быстро разгоняться и быстро тормозить. Мотор в спортивном режиме функционирует на полную мощность, из-за чего увеличивается коэффициент потребления горючего, хотя это и хорошо сказывается на динамике автомобиля.
экономный режим
При переключении на данный режим система будет функционировать в сторону снижения количества израсходованного топлива. Транспортное средство при этом не форсирует и едет очень плавно. В экономном режиме приоритетными являются пониженные передачи.
Почему запрещено буксировать авто с АКПП
Среди автомобилистов принято считать, что нельзя буксировать автомобиль на автомате. Это так, но только отчасти. В отличие от механики, где при буксировке вхолостую крутится несколько шестерён, в автомате задействуются все механизмы, что может вызвать перегрев и поломку.
Поэтому опытные автовладельцы утверждают, что буксировка авто с АКПП на одну ось в 25 км при скорости 50 км/ч не способно навредить. Потом надо сделать остановку на 1,5 часа для остывания агрегата и снова в дорогу. Кстати, если авто с приводом на заднюю ось, то достаточно просто убрать карданный вал. Если нет времени, то грузитесь частично: при переднем приводе – перед, а заднем – заднюю часть. Полноприводные авто вообще на буксире возить не следует, или же придётся снимать кардан. Либо полная погрузка на автоэвакуатор, что в итоге выйдет дешевле.
Лучше всего буксировать авто с АКПП с полной погрузкой
Устройство автоматической трансмиссии

Схема АКПП
Устройство АКПП достаточно сложное и состоит из следующих основных элементов:
- гидротрансформатор;
- планетарный механизм;
- блок управления АКПП (TCU);
- фрикционные муфты;
- обгонная муфта;
- гидроблок;
- ленточный тормоз;
- масляный насос;
- корпус.
Гидротрансформатор представляет собой корпус, заполненный специальной рабочей жидкостью ATF, и предназначен для передачи крутящего момента от двигателя к коробке передач. Фактически он заменяет сцепление. В его состав входят насосное, турбинное и реакторное колеса, блокировочная муфта и муфта свободного хода.
Колеса оснащены лопастями с каналами для прохода рабочей жидкости. Блокировочная муфта необходима для блокировки гидротрансформатора в конкретных режимах работы автомобиля. Муфта свободного хода (обгонная муфта) необходима для вращения реакторного колеса в противоположную сторону. Более подробно про гидротрансформатор можно почитать здесь.
Планетарный механизм АКП включает в себя планетарные ряды, валы, барабаны с фрикционными муфтами, а также обгонную муфту и ленточный тормоз.
Механизм переключения скоростей в АКПП достаточно сложен, и, по сути дела, работа трансмиссии состоит в выполнении некоторого алгоритма включения и выключения муфт и тормозов посредством давления жидкости.
Планетарный ряд, точнее блокировка одного из его элементов (солнечная шестерня, саттелиты, коронная шестерня, водило), обеспечивает передачу вращения и изменение крутящего момента. Элементы, входящие в планетарный ряд, блокируются при помощи обгонной муфты, ленточного тормоза и фрикционных муфт.

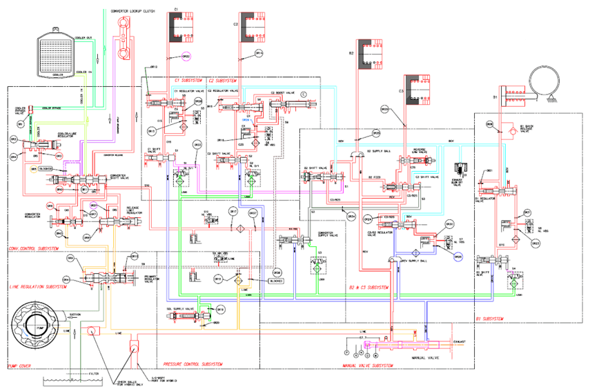
Пример гидравлической схемы АКПП
Блок управления АКПП может быть гидравлическим (уже не применяется) и электронным (ЭБУ АКПП). Современная гидромеханическая трансмиссия оснащается только электронным блоком управления. Он обрабатывает сигналы датчиков и формирует управляющие сигналы на исполнительные устройства (клапаны) гидроблока, обеспечивающие работу фрикционных муфт, а также управляющие потоками рабочей жидкости. В зависимости от этого жидкость под давлением направляется в ту или иную муфту, включая определенную передачу. TCU также управляет блокировкой гидротрансформатора. При неисправности блок TCU обеспечивает функционирование КПП в «аварийном режиме». Селектор АКПП отвечает за переключение режимов работы КПП.
В автоматической коробке применяются следующие датчики:
- датчик частоты вращения на входе;
- датчик частоты вращения на выходе;
- датчик температуры масла АКПП;
- датчик положения рычага селектора;
- датчик давления масла.
Подробнее про датчики АКПП можно почитать тут.







