Как выбрать
Главный параметр, влияющий на выбор ЗУ, – это величина выходного тока. Обязательно наличие взаимосвязи с характеристиками аккумулятора.
Вторым, но не менее важным критерием выбора является выдаваемая мощность и максимально выдаваемый ток зарядки. Параметры зарядного устройства не могут быть ниже тех, которые нужны для нормального функционирования установленного на автомобиле аккумулятора. Выходной ток должен больше того, которым вы будете заряжать аккумулятор. Обычно они заряжаются током, равным 1/10 от ёмкости, т. е. 55 Ач заряжают током в 5.5-6А. Если выходной ток ЗУ будет ниже, процесс зарядки будет дольше.
Чтобы решить, какое ЗУ покупать, надо определиться с функциональностью. Она зависит от нескольких факторов:
- какое количество автомобилей ему предстоит обслуживать, все ли они легковые или имеются и грузовые модели;
- стоит ли ночью машина в теплом гараже или на охраняемой стоянке;
- где чаще ездит водитель – по городу или за его пределами.
Для тех, кому привычней контроль процесса зарядки лично, лучше подбирать модель с ручной регулировкой. Набор защитного функционала на всех ЗУ практически одинаков:
- защита от перезаряда;
- защита от переполюсовки (неправильного подключения к + и – на АКБ);
- защита от КЗ;
- защита от перегрева.
С этой точки зрения неважно, какой аппарат приобретать. А вот режим экстренной подзарядки не всегда есть у продукции большинства производителей
Наличие этого режима позволяет за короткий промежуток времени довести АБ до нужной кондиции. Правда, пользоваться им рекомендуется только в экстренных случаях, так как он вреден для аккумулятора. Еще одна важная функция, наличие которой желательно в выбранной модели, — возможность произвести запуск двигателя при полностью разряженной батарее. Она присутствует в зарядниках, относящихся к классу пуско-зарядных.
По используемой в устройстве технологии заряда различают следующие виды:
- Выдающие постоянный ток. С их помощью зарядка происходит быстро, но это приводит к ускоренному старению, поскольку не предусмотрено понижение величины тока по мере заряда.
- Выдающие постоянное напряжение. Требуемое значение поддерживается устройством, что исключает перегрев электролита. Но снижение тока на завершающем этапе не позволяет набрать предельную емкость.
- В комбинированном объединены обе технологии, что позволяет повысить эффективность зарядного процесса.
Владея всей представленной выше информацией, любой автовладелец сможет подобрать оптимальный вариант для своего аккумулятора.
Спасибо, помогло!3Не помогло1
Сейчас читают:
Рейтинг автомобильных аккумуляторов на 2021 год
Какое зарядное устройство выбрать для смартфона
Рейтинг корейских аккумуляторов для авто
Как правильно и чем заряжать аккумулятор от бесперебойника
Рейтинг лучших аккумуляторов для эхолота на 12 вольт
Лучшие зарядные устройства
В этом разделе сможете изучить лучшие зарядные устройства для автомобильного аккумулятора. Модели простые и по доступным расценкам.
Зарядное устройство Вымпел 55 2012
Это оборудование для подзарядки аккумуляторов с напряжением в 6 и 12 В. По габаритам ЗУ компактное. Прост в использовании.Нет сложного технического обслуживания.
Агрегат оборудован специальным ЖК экраном с подсветкой для управления нужными опциями. Есть возможность задавать период активации и деактивации устройства по таймеру.
Зарядка имеет крепкий корпус, который надежно защищает внутренние элементы от повреждения.
Плюсы устройства:
- Пара настраиваемых режимов – импульсный и постоянный.
- Контроль уровня заряда аккумулятора.
- Запоминание алгоритмов подпитывания.
- Разброс настройки выходного тока от 0.5 до 15 А.
- Можно использовать как блок питания.
- Применяется для облегчения активации мотора.
- Предусмотрен кармана для кабелей.
- Можно «оживлять» полностью разряженный аккумулятор.
Минусы устройства:
- Не лучшее качество проводов.
- Отсутствие крышки кармана для хранения проводов.
- Ремонт только у производителя в Санкт-Петербурге.
- Отсутствие подробной инструкции.
Зарядное инверторное устройство Калибр ЗУИ-4 00000062546
Агрегат применяется для подзарядки свинцово-кислотных и гелиевых АКБ с напряжением 6 и 12 В. Такие аккумуляторы обычно устанавливаются на транспортных средствах с дизельным и бензиновым ДВС.
Оборудование оснащено микропроцессором, который обеспечивает автономную работу. Среди функций есть считывание остаточного напряжения и определение используемого аккумулятора.
Наличие одной клавиши позволяет выбирать режимы и управлять агрегатом в целом. На цифровом экране высвечиваются сведения об уровне заряда.
Для восполнения заряда АКБ на 12 В есть 3 режима:
- Медленный с напряжением 14.4 В.
- Быстрый с напряжением 14.4 В.
- Зимний режим с напряжением 14.7 В.
Для аккумуляторов на 6 В максимальное напряжение равно 7.3 В.
Плюсы устройства:
- Степень защиты – IP65.
- Режим подзарядки «Зимний».
- Можно использовать для бензиновых и дизельных ДВС.
- Инверторное преобразование напряжения и тока.
Минусы устройства:
- Нет автоматического выключение после полной зарядки.
- Низкое качество «крокодилов».
- Не указывается ток заряда.
Зарядное устройство DAEWOO DW 500
Сильная сторона ЗУ в том, что оно может исправно функционировать в температурном диапазоне от -20 °C до +50 °C. Есть 5 уровней восполнения заряда. Следить за всем процессом можно на LED экране. Прежде чем заряжать АКБ выполняется тестирование.
Плюсы устройства:
- Восполнение заряда в широком диапазоне температур.
- 5 уровней зарядки.
- Степень защиты – IP65.
- Большой срок службы, как утверждают производители.
Минусы устройства:
- Мало информации в инструкции, которая поможет разобраться в функционале ЗУ
- Не может оживить «мертвую» батарею
- Индикатор заряда отображается только при 100% заряде.
Для подзарядки свинцово-кислотных аккумуляторов на 6 и 12 В применяется электронное ЗУ. Агрегат имеет индикатор, который позволяет отслеживать уровень заряда.
Устройство оборудовано усиленными изолированными зажимами для подсоединения к АКБ.
Плюсы устройства:
- Легкое и понятное управление.
- Индикатор уровня зарядки.
- ЖК-экран с подсветкой.
- Присутствует режим подзарядки «Зимний».
Минусы устройства:
- Уровень электролита не поднимается до 1.27 – 1.29, несмотря на наличие режима «Зимний».
Импульсное зарядное устройство PATRIOT BCI-10M 650303415
Агрегат импульсного типа. Модель легка в управлении. Среди главных преимуществ – возможность восстановления батареи, контроль напряжения. Для предотвращения перегрева внутренних элементов ЗУ оборудовано вентилятором.Удобство в переноске создается за счет небольшой массы и эргономичной рукояти.
На панели управления находится визуальный амперметр, который позволяет контролировать силу тока.
Плюсы устройства:
- Возможность контроля силы тока.
- Можно следить за напряжением.
- Электронное управление возможно прямо с транспортного средства.
- Может поддерживать состояние аккумулятора при долгом хранении.
- Легкость в эксплуатации.
Минусы устройства:
- Вентилятор работает громко.
- Доверять полностью показателям амперметра не следует, много расхождений.
- При зарядке АКБ на 55 Ач и силе тока в 5 А слышится страшный треск.
Зарядное устройство «Вымпел»
Компактный аппарат «Вымпел-32-2043» производится российской компанией и может функционировать от стандартной сети 220 В и от напряжения 12 В. Значение тока регулируется вручную в диапазоне от 0,8 до 20 А. Прибор отключается автоматически после достижения максимального уровня заряда АКБ. Предусмотрена защита от КЗ, перегревов и изменения полярности. Может работать в широком температурном диапазоне: от -10 до +40 градусов. Встроенный вентилятор охлаждает устройство при высоких температурах.

Отличительной чертой «Вымпела-32-2043» является возможность подключения электрических инструментов.
Преимущества:
- Информативная панель, легкость управления.
- Маленький вес и компактные размеры.
- Практически полное отсутствие шума во время работы.
Недостатки:
- Вентилятор выходит из строя с течением времени.
- Хрупкий пластиковый корпус, требующий бережных транспортировки и хранения.
Keepower Battery Charger
Сразу попеняем на отсутствие надписей на русском. Зато есть светодиодик для освещения пространства. Весь процесс идет автоматически и не требует вмешательства. Предусмотрена зарядка через гнездо прикуривателя. Кстати, изделие при желании можно повесить на стенку. В целом неплохо, но цена все испортила.
DHC SC5E, Тайвань
Опять обидели русский язык: все надписи на приборе ненашенские. Впрочем, читать нечего: подключил и забыл. Есть защита от переполюсовки, искрения, перезаряда и короткого замыкания. Но вот за позорную единицу измерения емкости «А/ч» в инструкции ее авторам должно быть стыдно. Правильно так: А·ч!
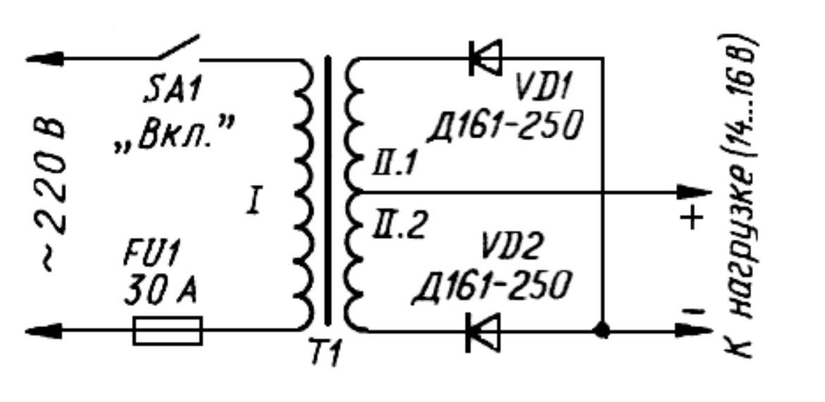
Описание и принцип работы пуско-зарядного устройства
Здесь особо сложного ничего нет. Сетевое U = 220 В подаётся через выключатель на первичную обмотку трансформатора, а на вторичной происходит уменьшение переменного напряжения. Потом оно сглаживается двухполупериодным или мостовым выпрямителем, собранным на мощных диодах. Далее пульсирующее напряжение может быть отфильтровано посредством электролитических конденсаторов. При необходимости около выхода осуществляется увеличение напряжения, что делается с помощью усилителей, в которых основными компонентами являются транзисторы, тиристоры.
Из недостатков описываемого пуско-зарядного устройства можно отметить разве что солидный вес, что обусловлено установкой мощного и, как следствие, габаритного трансформатора. Ниже – схема двухполупериодного пуско-зарядного устройства своими руками:

В этой схеме задействован лабораторный трансформатор ЛАТР. Вместо двух диодов можно использовать и диодный мост типа КЦ405. Схема пуско-зарядного устройства для автомобиля с усилителем:

Как сделать пуско-зарядное устройство своими руками, чтобы оно наверняка заработало? Нужно соблюдать параметры деталей. Мощность указанных на картинке тиристоров – не менее 80 А (если будет использоваться диодный мост, то от 160 А). Диоды на ток – 100–200 А. Транзистор – КТ361 либо КТ 3102 (можно любой другой с такими же параметрами). Мощность используемых резисторов – от 1 Вт.
Собранное своими руками зарядно-пусковое устройство подключается через зажимы-крокодилы к АКБ в соответствии с полярностью. При нормально заряженной батарее с ПЗУ энергия поступать не будет. Если же АКБ не функционирует, тиристорный переход откроется, и зарядный ток пойдёт на батарею и стартер.
Расчёт обмоток трансформатора
Сначала нужно подобрать магнитопровод, сечение которого должно быть не меньше 37 кв. см. Чтобы рассчитать количество витков в первичной обмотке, необходимо воспользоваться формулами: Т = 30/S, где S – площадь магнитопровода и N = 220*Т, то есть W1 = 220*30/37 = 178 витков. Для обмотки необходимо использовать изолированный провод сечением не менее 2 кв. мм. Формула для вторичной обмотки: W2 = 16*Т = 16*30/37 = 13 витков. Здесь понадобится шина из алюминия площадью 36 кв. мм.
Стоит заметить, что формулы не всегда могут выдавать точное число обмоток (особенно вторичной), поэтому можно применить метод подбора. Намотав первичную обмотку, накрутите несколько витков вторичной и измерьте получившееся напряжение, не обрезая шину. Таким образом нужно добиться на выходе значения 14–16 В.
Дело будет обстоять проще, если у вас имеется ЛАТР – лабораторный трансформатор. От него нужно взять сердечник. Количество витков первичной обмотки – 265–295. Используйте изолированный провод сечением 2 мм. Намотку производите в три слоя. Далее обязательно проверьте значение тока холостого хода (включите мультиметр в разрыв между сетью 220 В и одним из концов обмотки). Прибор должен показывать 210–390 мА. Если показания больше, число витков нужно увеличить, в противном случае, наоборот, уменьшить. Вторичная обмотка разделена на две секции, в каждой из которых 15–18 витков. Здесь понадобится провод сечением 10 кв. мм.
Расчёт выпрямителя
Далее рассмотрены параметры электронных компонентов (помимо указанных выше), применяемых в обеих схемах:
- Диоды. Максимальный пропускаемый ток не должен быть менее 100 А. Это могут быть В200, Д141, 2Д141, 2Д151 и иные аналогичные детали. Вместо КД105 не возбраняется применять КД209 или даже Д226. Стабилитрон – Д808, 2С182 и т. п.
- Тиристоры. I = 80 А и более: ТС185, Т15-80, Т15-100, Т161, Т125 и т. п. Если используется вариант выпрямления тока с диодным мостом, тиристоры будут мощнее вдвойне: Т15, Т160, Т250, Т16 и другие, аналогичные.
- Транзисторы. Здесь важен коэффициент усиления h = 21э. Это КТ361 либо КТ3107 проводимостью n-p-n. Вместо КТ816 подойдёт и КТ814.
- Резисторы. Желательно, чтобы их мощность была не менее 1 Вт.
- Выключатель. Должен держать ток от 6 А.
Подбор сечения проводов
Подбирая выходные провода, которые будут присоединяться к аккумулятору, нужно помнить, что их диаметр не может быть меньше такого же параметра вторичной обмотки. Лучше использовать многожильный медный кабель, используемый в сварочных аппаратах, где каждый проводок имеет сечение 2,5 кв. мм. Такую же площадь должен иметь провод, посредством которого самодельный аппарат будет подключаться к сети. Не забудьте приобрести мощные зажимы-крокодилы для подключения к клеммам АКБ. Здесь тоже рекомендуется использовать изделия, применяемы при сварке («масса»).
Выбор модели
При выборе зарядки необходимо учитывать условия использования, характеристики и необходимые дополнительные функции.
Изначально нужно определиться с типом устройства: достаточно ли вам просто зарядного или нужно пуско-зарядное устройство, более дорогое автоматическое или бюджетный ручной вариант?
При покупке обращайте внимание на наличие дополнительных функций: режим питания Boost, импульсная зарядка, встроенный накопитель, запоминающий результаты, режим десульфатации (для восстановления батареи) и др. Обращайте внимание на длину проводов, качество клемм, стоимость и производителя изделия
Обращайте внимание на длину проводов, качество клемм, стоимость и производителя изделия
Напряжение, выдаваемое ЗУ
Известно три распространенных типа аккумуляторов – 6-вольтные, 12-вольтные и 24-вольтные. 6-вольтные батареи применяются на мотоциклах с небольшим напряжением бортовой сети. 12-вольтные устанавливаются на легковые автомобили, а 24-вольтные на автобусах, грузовиках, тягачах. Поэтому следует выбирать ЗУ, работающее в нужном диапазоне напряжения.
Напряжение, выдаваемое зарядным прибором, должно обеспечивать процесс восстановления емкости. В случае с 12 В следует выставлять 13,8–14,4 В на ЗУ для зарядки до уровня 75–85%. Такая величина выдается генератором автомобиля. При установке 15 В уровень заряда повышается до 85–90%, а при 16,3 В до 95–97%.
Рейтинг зарядных устройств для автомобильных аккумуляторов
Чтобы вам было проще приобрести такое полезное устройство, как ЗУ для автомобильного аккумулятора, мы подобрали Топ-5 наиболее надежных и фунциональных зарядок, это, несомненно лучшие зарядные устройства для автомобильных аккумуляторов 2018-2019 гг.
TELWIN NEVADA 15 110Вт 12/24В 9/4.5А 2.5кг
Это относительно недорогое зарядное устройство от проверенного производителя, специализирующегося именно на разработке пуско-зарядной техники. ЗУ выдает ток от 4,5 до 9А и может работать в двух режимах напряжения: 12 и 24 вольта, подходя таким образом и для легкового, и для грузового автомобилей. Кроме того, девайс защищен производителем от перегрузок и того, что будущий хозяин перепутает полярность клемм.
Стоимость этого устройства составляет 4,5 тыс. рублей.
Battery Service Expert PL-C010P
Немного более дорогое зарядное устройство — Battery Service Expert PL-C010P отличается простотой и универсальностью. Главная особенность здесь — возможность выбора максимального зарядного тока, таким образом разрешая дискуссию о том, как лучше заряжать аккумулятор: постоянно регулируя ток вручную или же положившись на автоматику. Здесь вы можете выбрать любой режим. ЗУ дает возможность выставить разные значения зарядного тока: 2,5, 6 и 10 А. При этом для каждого из значений предусмотрены автоматические программы: восстановление, объемный заряд, абсорбция заряда, режим хранения и циклы для батарей AGM, зарядка в мороз. Благодаря такой гибкости достигается широкий емкостей аккумуляторов — от 5 А·ч до 230 А·ч.
Стоимость такого зарядного устройства стартует от 7 тыс. рублей.
Bosch C3
Это устройство — также от проверенного производителя, хоть и собрано в Китае, но не обманывает ожиданий. Bosch C3 заряжает АКБ с максимальным током 3,8 А, при этом емкость заряжаемых аккумуляторов может составлять от 1,2–120 А·ч.
Производитель предлагает несколько автоматических режимов работы устройства.
Сюда входят режим заряда батареи 6 В. Заряд производится током 0,8 А до напряжения на клеммах 7,2 В; режим заряда аккумулятора небольшой емкости (до 14 А·ч). Заряд производится током 0,8 А до напряжения на клеммах 14,4 В, а также режим заряда батарей большой емкости (свыше 14 А·ч), заряд холодной батареи или батареи AGM. Кроме того, имеются режимы импульсного заряда и постоянного подзаряда, которое включается после окончания режима заряда.
К минусам этого устройства относится лишь то, что оно не может все же зарядить глубоко разряженный аккумулятор.
Стоимость устройства составляет около 3,5 тыс. рублей
«Автоэлектрика» Т-1051
Это исключительное в своем роде ЗУ, полностью разработанное и собранное в России. Оно и внешне отличается от прочих, имея свою логику работы, оригинальную конструкцию и даже цвет.Максимальный зарядный ток здесь составляет 9 А, минимальный – 0,1 А. Емкости АКБ, с которыми может работать данная модель, – от 6 до 240 А·ч. Для всех режимов работы используется технология заряда, называемая «4П» (процедура последовательных пропорциональных приращений). Устройство умеет работать в трех режимах: нормальный заряд батареи 12В, ускоренный заряд и режим реанимации. Если говорить о защиты, то производитель предусмотрел здесь переполюсовку и КЗ. К минусам здесь смело можно отнести эргономику и металлический корпус, все же такое решение — прошлый век, а также то, что ЗУ надопо икончании заряда отключать от аккумулятора. К плюсам, бесспорно, относится способность поднять аккумулятор из глубокого разряда.
Стоимость этой зарядки составляет около 4 тыс. рублей.
Это устройство просто необходимо для автолюбителя, который много ездит зимой.
- Беспроводное зарядное устройство от Xiaomi стоит всего $10
- Революционная беспроводная зарядка для электромобилей: 1 км за 1 минуту
Фото: компании-производители, pixabay
Классификация по методу зарядки
Зарядное устройство заряжает АКБ, подключаясь как промежуточное звено к сети бытового электропитания.
Переменный ток в 220 В выпрямляется, его напряжение понижается, и некоторые другие характеристики так же модифицируются под «требования» автомобильного аккумулятора.
Но зарядные устройства для автомобильных аккумуляторных батарей в первую очередь различаются по способу зарядки.
Они классифицируются на аппараты:
- постоянного тока;
- постоянного напряжения;
- аппараты, в которых реализован комбинированный метод.
Это означает, что устройство заряжает АКБ (аккумуляторную батарею) либо постоянным током, либо постоянным напряжением, либо может использовать любой из этих методов.
Каждый метод имеет свои функциональные особенности, плюсы и минусы.
Зарядка постоянным током
Это наиболее быстрый режим заряжания автомобильного аккумулятора. Используется постоянный ток, который должен быть равен 10% от емкости аккумулятора в амперчасах.
Если он будет ниже — аккумулятор будет заряжаться слишком долго или не зарядится вообще, если выше — АКБ может выйти из строя.
Автоматические зарядники постоянного тока устанавливают зарядный ток в зависимости от емкости АКБ самостоятельно, но на дешевых моделях, как правило, нет верньеров, позволяющих контролировать и регулировать ток.
Поэтому, если есть возможность, стоит приобрести зарядное устройство не только с функцией автоматической зарядки по току, но и с ручным регулятором, чтобы иметь возможность выставить ток зарядки самостоятельно.
Кроме того, за процессом зарядки нужно следить, т. к., несмотря на функцию автоматического отключения, которой снабжены почти все современные зарядники, превышение времени заряжания может привести к тому, что батарея «вскипит».
Зарядка постоянным током не очень хорошо сказывается на аккумуляторе, поэтому прибегать к этому методу часто не рекомендуется.
Важно: выбирая устройство зарядки при помощи постоянного тока, стоит присмотреться к тем, у которых есть режим десульфатации. Этот режим позволяет полностью восстанавливать емкость аккумулятора, долгое время (год и больше) стоявшего без дела
Зарядка постоянным напряжением
Метод постоянного напряжения — наиболее длительный, но и наиболее оптимальный для банок аккумулятора способ зарядить их. Здесь используется режим, в котором напряжение постоянно, но вот ток зарядки падает пропорционально оставшейся емкости аккумулятора.
Что это значит на практике? Допустим, полная емкость аккумулятора — 100% заряда. Зарядка идет постоянным напряжением 12-13 В.
При этом ток зарядки уменьшается по мере «наполнения» АКБ. Когда он заряжен на 99%, то ток уменьшается до 1% от исходного значения. Когда уровень заряда достигает 100%, ток падает до нуля.
Такой способ позволяет продлить срок службы АКБ, но сеанс «заправки» на несколько часов дольше, чем при методе заряжания постоянным током.
Поэтому такое устройство хуже подходит для экстренных ситуаций.
Комбинированный метод
Комбинированный метод предусматривает в работе «смену режимов». То есть зарядка идет вначале постоянным током, а потом, когда банки АКБ заряжены уже на 50-60%, аппарат автоматически переключает режим на зарядку постоянным напряжением.
Комбинированный способ дает возможность восстанавливать работоспособность аккумулятора быстро, но в ьто же время в щадящем режиме, что позволяет сохранить его ресурс работы.
Такой способ позволяет продлить срок службы старых аккумуляторов и не загубить раньше времени новые.
Все «комбинированные» зарядные устройства относятся к импульсному типу (что это такое — читайте ниже) и снабжены микропроцессорным блоком управления.
Смотрим на свой аккумулятор
Соответственно исходим из своих задач, то есть если вы используете старые батареи, может быть еще и сурьмянистые, то для них подойдет практически каждое зарядное устройство. А вот если у вас «кальциевый» или тем более GEL – AGM батареи «зарядное» должно быть абсолютно другим, более совершенным.

Например «сурьмянистый» вариант — если на него подать напряжение больше 14,2В он закипит, причем очень интенсивно.
Также кальциевые АКБ, заряжаются током выше 16В, не каждое устройство может его выдать.
Большим плюсом будет система десульфатации, при ее помощи вы сможете восстановить батарею (если это еще возможно).
Я хочу отметить, что чем совершеннее зарядное устройство, тем больше вариантов оно сможет зарядить или даже восстановить.
Режим десульфатации
Это реально полезный режим. От жаркой погоды, либо от глубоких разрядов на пластинах может образовываться сульфаты серной кислоты, при этом плотность электролита будет падать. Эти сульфаты запечатывают пластины и емкость аккумулятора значительно падает. Иногда потеря емкости может быть в 70 – 80%! При таких показателях нельзя запустить двигатель автомобиля.

Удалить эти сульфаты достаточно сложно, почитайте вот эту статью. Однако есть такие устройства, которые делают это в штатном режиме, циклами заряда – разряда. Просто ставите свою батарею, и она стоит несколько часов, а скорее всего и дней. Сульфаты разбиваются, поверхность пластин становится чистой, емкость восстанавливается. Нужно отметить очень полезный режим.
Разновидности существующих зарядных устройств
Зарядные устройства для аккумуляторных батарей машин подразделяются на 3 категории:
- Стандартные, оснащенные трансформатором переменного тока, работающим совместно с полупроводниковым выпрямительным блоком. Из-за использования трансформатора изделия имеют повышенный вес и увеличенные размеры корпуса. Оборудование используется на станциях технического обслуживания автомобилей или для зарядки промышленных батарей.
- Импульсные зарядные блоки, характеризующиеся уменьшенными габаритами. В конструкции применяется инверторный преобразователь, защищенный предохранительным блоком (для разрыва цепи в случае превышения нагрузки или короткого замыкания). Оборудование используется в гаражах для самостоятельной зарядки автомобильных или мотоциклетных АКБ.
- Комбинированные установки, позволяющие запускать силовой агрегат автомобиля от внешней сети. В конструкции устройства предусмотрен конденсаторный блок, накапливающий импульс электроэнергии, достаточный для проворачивания вала двигателя стартером. На корпусе установлены переключатели рабочих параметров и контрольные приборы.
Отличия зарядных устройств друг от друга
На российском авторынке представлено большое количество моделей зарядников для АКБ автомобиля от разных брендов. Эти устройства принято разделять на несколько категорий:
- Первая — обеспечивает полноценную зарядку батареи. Токовая характеристика устройства небольшая, зарядка производится при выключенном двигателе.
- Вторая — пуско-зарядные устройства, выдающие мощный точечный импульс для экстренного запуска движка.
По типу управления уровнем заряда устройства также разделяют на:
- ручные — бюджетные аппараты, в которых необходимо вручную отключить питание при достижении полного заряда АКБ;
- автоматические – устройства, самостоятельно контролирующие уровень заряда и отключающие зарядку.
Все зарядные устройства служат одной цели — они заряжают аккумуляторные батареи автомобилей, но работают они по-разному:
- Аккумулятор заряжается на постоянном токе, где напряжение изменяется, а токовые нагрузки в процессе работы остаются неизменными. Максимальный уровень заряда достигается быстро, но такая зарядка сокращает срок службы АКБ.
- Аккумулятор заряжается переменным током. В процессе работы напряжение остается постоянным, а скорость зарядки постепенно снижается.
- Комбинированная зарядка. Процесс разделен на две части: Сначала быстро и на постоянном токе, затем медленнее — на переменном. Устройства третьего типа зарядки — наиболее практичные и безопасные для АКБ.
Deca Matic 119

Лучший представитель трансформаторных ЗУ в нашем рейтинге от известного итальянского бренда поддерживает зарядку только свинцово-кислотных источников питания, но обширного диапазона ёмкостей (10-130 А*ч). ТЗ приличный, но нерегулируемый (9 А). Вес аппарата 2,5 кг, для трансформаторных аппаратов это приемлемо. Режим зарядки – автоматический, реализовано 4 степени защиты. О состоянии процесса сигнализируют светодиодные индикаторы. Стоимость Deca Matic 119 – порядка 2,5 тысяч рублей.
| Достоинства | Недостатки |
| Большой ресурс | Отсутствует информационный дисплей |
| Герметичный корпус | Неказистый дизайн |
| Наличие рукоятки для переноски | Большой вес и габариты |
Лучшие автоматические зарядные устройства
Кедр-Авто-10

3 режима работы:
- Автоматический – стандартный режим с силой тока 5 А (постепенно уменьшается);
- Предпусковой – применяется, когда требуется быстро завести машину (первоначальная сила тока 10 А);
- Циклический – предполагает кратковременные импульсы тока 5 А с паузой.
Для слежения за процессом имеется встроенный амперметр.
Плюсы данного устройства:
- Низкая цена;
- Компактность;
- Наличие быстрой подзарядки;
- Простой режим десульфатации.
К отрицательным качествам можно отнести невозможность изменения максимального тока.
Вымпел 27 2045

Присутствует цифровой дисплей, показывающий данные напряжения и тока. Выдаваемый прибором ток находится в пределах 0,4-7 А. ЗУ оснащено системой безопасности (предупреждение переплюсовки, перегрева). Отсутствует механизм быстрой зарядки. Основными достоинствами являются:
- Небольшие габариты;
- Широкий силовой диапазон;
- Наличие индикации защиты;
- Позволяет восстановить емкость полностью разряженной батареи.
Из минусов стоит отметить ненадежность корпуса и хрупкость поставляемых элементов.
QUATTROELEMENTIi-Charge 10 771-152

Способен заряжать батареи емкостью 100 А*час. Номинальное значение силы тока — 6,5 А, уровень которого изменяется по мере зарядки. Отличается удобством использования при обслуживании нескольких автомобилей. Преимуществами устройства считаются:
- Небольшая потребляемая мощность;
- Наличие ручки для удобной переноски;
- Легкость при применении;
- Не поддается перегреву;
- Наличие сенсорной панели управления;
- Защитная система.
Недостатком ЗУ является большая стоимость.
Smart-Power SP-25N Professional

ЗУ подходит для 12- и 24-вольтных батарей. Высокая цена обоснована наличием продуманной электроники, 9-этапным процессом зарядки, автоматизированной системой настройки и небольшим размером. Плюсы прибора:
- Поддержание напряжения для разновольтных аккумуляторов;
- Удобное хранение благодаря малым габаритам;
- Быстрое и эффективное восстановление свойств батареи;
- Оснащение экраном цифрового типа и индикацией;
- Влагостойкость корпуса.
Минусом устройства, по мнению многих пользователей, выступает цена.
Немного теории об аккумуляторах
Любой аккумулятор (АКБ) — накопитель электрической энергии. При подаче на него напряжения энергия накапливается, благодаря химическим изменениям внутри батареи. При подключении потребителя происходит противоположный процесс: обратное химическое изменение создаёт напряжение на клеммах устройства, через нагрузку течёт ток. Таким образом, чтобы получить от батареи напряжение, его сначала нужно «положить», т. е. зарядить аккумулятор.
Практически любой автомобиль имеет собственный генератор, который при запущенном двигателе обеспечивает электроснабжение бортового оборудования и заряжает аккумулятор, пополняя энергию, потраченную на пуск мотора. Но в некоторых случаях (частый или тяжёлый запуск двигателя, короткие поездки и пр.) энергия аккумулятора не успевает восстанавливаться, батарея постепенно разряжается. Выход из создавшегося положения один — зарядка внешним зарядным устройством.
Как узнать состояние батареи
Чтобы принимать решение о необходимости зарядки, нужно определить, в каком состоянии находится АКБ. Самый простой вариант — «крутит/не крутит» — в то же время является и неудачным. Если батарея «не крутит», к примеру, утром в гараже, то вы вообще никуда не поедете. Состояние «не крутит» является критическим, а последствия для аккумулятора могут быть печальными.
Оптимальный и надёжный метод проверки состояния аккумуляторной батареи — измерение напряжения на ней обычным тестером. При температуре воздуха около 20 градусов зависимость степени зарядки от напряжения на клеммах отключённой от нагрузки (!) батареи следующая:
- 12.6…12.7 В — полностью заряжена;
- 12.3…12.4 В — 75%;
- 12.0…12.1 В — 50%;
- 11.8…11.9 В — 25%;
- 11.6…11.7 В — разряжена;
- ниже 11.6 В — глубокий разряд.
Нужно отметить, что напряжение 10.6 вольт — критическое. Если оно опустится ниже, то «автомобильная батарейка» (особенно необслуживаемая) выйдет из строя.
Правильная зарядка
Существует два метода зарядки автомобильной батареи — постоянным напряжением и постоянным током. У каждого свои особенности и недостатки:
- Зарядка постоянным напряжением — годится для восстановления заряда не полностью разряженных батарей, напряжение на клеммах которых не ниже 12.3 В. Процесс заключается в следующем: к клеммам батареи подключают источник постоянного тока напряжением 14.2–14.7 В. Окончание процесса контролируют по току потребления: когда он упадёт до нуля, зарядка считается оконченной. Недостаток такого способа — возможно большой начальный зарядный ток; чем сильнее батарея разряжена, тем выше ток. Преимущества метода очевидны — вам не нужно постоянно регулировать ток зарядки, аккумулятору не грозит перезарядка, если вы про него забудете.
- Зарядка постоянным током — самый распространённый и надёжный способ. В этом режиме ЗУ выдаёт постоянный ток, равный 1/10 ёмкости батареи. Окончание процесса зарядки определяется по напряжению на батарее — когда оно достигнет 14.7 В, заряжать батарею прекращают. Недостаток такого метода — батарею можно испортить, не сняв вовремя с зарядки.
Лучшие пуско-зарядные устройства
TelwinLeader 150 Start 230V 12V

Система обладает возможностью подачи тока силой 140 А. Трансформаторный механизм функционирования обеспечивает совместную работу со многими батареями. Диапазон поддерживаемой емкости 25–250 А*ч. Положительными качествами прибора являются:
- Возможность настройки всех параметров;
- Способность заряжать многие аккумуляторы;
- Долгий срок эксплуатации;
- Простота управления;
- Наличие ручки для транспортировки.
К отрицательным моментам относятся:
- Поддержание напряжения исключительно 12 В;
- Завышенная стоимость;
- Огромные габариты.
Fubag Force 420

Подходит для автомобильных сервисных центров и автоцентров. Прибор используется при подзарядке автобатарей с напряжением 12, 24 В и емкостью до 50-800 А*ч. Способен запускать моторы мотоцикла и автомобили. Наибольшее значение тока запуска – 360 А. Преимущества ЗУ:
- Удобная транспортировка благодаря присутствию колесиков и рукоятки;
- Высокая величина тока запуска и тока зарядки;
- Граница заряжаемой емкости доходит до 800 А*ч.
Из недостатков можно назвать большую массу и завышенную цену.
Вымпел-32 2043

ЗУ характеризуется наличием опции Boost, обеспечивающей быстрый процесс подзарядки. Работает с аккумуляторами емкостью 80–220 А*ч и напряжением 12 В. Наибольшая величина подаваемого тока 20 А. Контроль показателей осуществляется на табло. Для изменения силы тока предусмотрен регулятор с плавным ходом. Основные плюсы ЗУ:
- Отсутствие перегрева;
- Небольшие габариты;
- Автоматический режим подзарядки;
- Наличие функции быстрой зарядки;
- Приемлемая стоимость.
Пользователи в качестве минуса отмечают непрочность корпуса.
Какое зарядное выбрать в итоге
Правило первое: если не хотите сократить срок службы АКБ, сразу откажитесь от самых дешёвых моделей. Среди них точно нет ничего стоящего. А некоторые даже опасны. Правило второе: стремитесь выбрать зарядное для автомобильного аккумулятора с индикацией. Хотя бы с амперметром и вольтметром. Правило третье: откажитесь от покупки модели без защит от дурака. Правило четвёртое: не забудьте выбрать ЗУ под ваш АКБ по ёмкости и типу. Правило пятое: не покупайте для личного периодического использования неадекватно дорогую профессиональную модель. Скорее всего, большинство заложенных в неё возможностей вам не пригодятся никогда.






