ЗУ из лампового телевизора
Первой будет схема, пожалуй, самая простейшая, и справиться с ней сможет практически любой автолюбитель.
Для изготовления простейшего зарядного устройства понадобиться всего лишь две составные части – трансформатор и выпрямитель.
Главное условие, которым должно соответствовать зарядное устройство – это сила тока на выходе из прибора должна составлять 10% от емкости АКБ.
То есть, зачастую на легковых авто применяется батарея на 60 Ач, исходя из этого, на выходе из прибора сила тока должна быть на уровне 6 А. При этом напряжение 13,8-14,2 В.
Если у кого-то стоит старый ненужный ламповый советский телевизор, то лучше трансформатора, чем из него не найти.
Принципиальная схема зарядного устройства из телевизора имеет такой вид.
Зачастую на таких телевизорах устанавливался трансформатор ТС-180. Особенностью его являлось наличие двух вторичных обмоток, по 6,4 В и силой тока 4,7 А. Первичная обмотка тоже состоит из двух частей.
Вначале потребуется выполнить последовательное подключение обмоток. Удобство работ с таким трансформатором в том, что каждый из выводов обмотки имеет свое обозначение.
Для последовательного соединения вторичной обмотки нужно соединить между собой выводы 9 и 9\’.
А к выводам 10 и 10\’ – припаять два отрезка медного провода. Все провода, которые припаиваются к выводам должны иметь сечение не менее 2,5 мм. кв.
Что касается первичной обмотки, то для последовательного соединения нужно соединить между собой выводы 1 и 1\’. Провода с вилкой для подключения к сети нужно припаять к выводам 2 и 2\’. На этом с трансформатором работы завершены.
Далее нужно сделать диодный мост. Для этого потребуется 4 диода, способных работать с током в 10 А и выше. Для этих целей подойдут диодные мосты Д242 или аналоги Д246, Д245, Д243.
На схеме указано, как должно производится подключение диодов – к диодному мосту припаиваются провода, идущие от выводов 10 и 10\’, а также провода, которые будут идти к АКБ.
Не стоит забывать и о предохранителях. Один из них рекомендуется установить на «плюсовом» выводе с диодного моста. Этот предохранитель должен быть рассчитан на ток не более 10 А. Второй предохранитель (на 0,5 А) нужно установить на выводе 2 трансформатора.
Перед началом зарядки лучше проверить работоспособность устройства и проверить его выходные параметры при помощи амперметра и вольтметра.
Иногда бывает, что сила тока несколько больше, чем требуется, поэтому некоторые в цепь установить 12-вольтовую лампу накаливания с мощностью от 21 до 60 Ватт. Эта лампа «заберет» на себя излишки силы тока.
Что нужно для переделки
Поскольку значительная часть современных БП (мощностью от 200 до 400 В) производятся на базе ШИМ-контроллера 3528, опишем процедуру переделки именно для таких источников питания. Нам потребуются:
- резисторы номиналом 1,0/2,7 кОм;
- резисторы 0,2/0,068 кОм;
- паяльник с принадлежностями (канифоль, олово);
- зажимы типа «крокодил» с проводами;
- отвёртки с плоским и крестообразным наконечником;
- 12-вольтное автомобильное реле;
- 3 одноамперных диода 1N4007;
- 2 конденсатора на 25 В;
- светодиод зелёного цвета;
- мультиметр (или вольтамперметр);
- силиконовый герметик;
- 2-метровый медный изолированный провод.
Блок питания, который мы хотим использовать для самодельного ЗУ, должен иметь следующие характеристики:
- номинал напряжения – 110/220 В;
- выходное напряжение ИБП – 12 В;
- выходной ток – 8 А;
- номинал мощности – 230 Вт.
Если всё готово, можно приступать к переделке компьютерного импульсного блока питания в автомобильное зарядное устройство.
Как сделать своими руками
Сделать зарядное устройство с диодным мостом самому по вышеприведенной схеме не составит особого труда. Достаточно руководствоваться следующими рекомендациями.
Подготовить необходимые комплектующие и инструменты
- Трансформатор. Если зарядник изготавливается для АКБ легкового автомобиля «Жигули» емкостью 60 А×ч, то автомобильные характеристики трансформатора должны иметь следующие параметры:
- мощность не менее 150 Вт, чтобы обеспечить зарядный ток величиной 6 А (оптимальная зарядка по времени с обеспечением стойкости пластин аккумулятора достигается на режиме 10 % от емкости АКБ);
- напряжение на вторичной обмотке должно быть выше 12 Вольт для нормального прохождения тока через разряженную батарею — в районе 14.4 Вольт.
Трансформатор с такими характеристиками можно найти в старых электроламповых телевизорах или потертых временем музыкальных центрах, вышедших из строя микроволновых печах и источниках бесперебойного питания. В конце концов в специализированных магазинах можно купить такое устройство за небольшие деньги.
Старые трансформаторы используют в обмотках алюминиевый провод в отличие от медного он сильнее нагревается. Поэтому возникает необходимость борьбы с перегревом таких трансформаторов. Кулер от неисправного источника питания компьютера поможет решить проблему:
- Выпрямитель. Для диодного моста следует использовать достаточно мощные диоды, работающие на токе около 10 А. Такими параметрами обладают электронные элементы типа Д246. Возможно найти и другие подобные варианты. Наличие меток с указанием полярности диодов облегчает сборку моста.
- При работе мощные диоды выделяют большое количество тепла. Монтировать диодный мостик рекомендуется на радиаторе охлаждения, например, имеющихся в старых запасных частях от системного блока компьютера. В случае невозможности найти промышленный радиатор охлаждения можно воспользоваться алюминиевым профилем, как показано на изображении:
- Для подключения зарядника к бытовой сети необходима сетевая вилка.
- Монтаж лучше производить на текстолитовой пластине, подходящей по габаритам.
- Необходим кусок нихромовой проволоки.
- Амперметр, вольтметр.
- Диэлектрическая бумага, изолента.
- Кроме слесарного, основным рабочим инструментом будет паяльник с материалами необходимыми в технологии пайки.
Порядок выполнения работ
- Так как трансформатор для самодельного зарядника обычно берется с другого электротехнического устройства, то весьма редко напряжение и сила тока на вторичной обмотке соответствуют требованиям. Следует в таком случае полностью удалить вторичную обмотку, оставив первичную. Выполнить расчеты из школьного курса физики для определения количества витков и диаметра проволоки, подходящими для необходимого напряжения и силы тока. Аккуратно уложить проволоку виток к витку не составит труда. Не стоит забывать делать изоляцию (диэлектрической бумагой, изолентой) между слоями. Концы проволоки вывести и закрепить на корпусе. Для уменьшения вибраций следует пропитать обмотку парафином.
- На текстолитовой пластине разместить радиатор охлаждения с установленными на нем четырьмя диодами Д246. Собрать диодный мостик с выводами к клеммам аккумулятора. Зачистить концы выводов.
- В разрыв между диодным мостом и аккумулятором подключается амперметр и устанавливается кусок нихромовой проволоки. Один конец ее жестко закрепляется, а второй остается подвижным, чтобы была возможность менять длину нихромовой проволоки и варьировать величиной сопротивления. Такой самодельный переменный резистор позволит производить регулирование тока подаваемого на аккумулятор.
- Все соединения необходимо заизолировать изолентой. Готовое устройство для обеспечения электробезопасности следует поместить в подходящий корпус.
- Амперметр будет отслеживать процесс зарядки. Когда показания силы тока на нем будут в районе 1 А, можно сделать вывод, что аккумулятор зарядился.
- Контролировать зарядку можно и с помощью вольтметра, однако при подключенном зарядном устройстве его показания будут немного выше.
Переделка блока питания АТ в зарядное устройство
Блок питания АТ от устаревшего компьютера может годами пылиться на полке в шкафу, перед началом переделки необходимо удостовериться в его технической исправности и почистить от грязи и пыли:
- он должен хорошо держать нагрузку порядка 6 А на шине 12 В;
- в блоке не должно быть вздутых, а также со следами вытекания электролита конденсаторов или почерневших резисторов;
- система вентиляции должна отлично работать;
Также при переделке необходимо помнить, что в БП присутствует высокое напряжение опасное для жизни.
Для наглядной переделки мы отрыли в закромах плату от такого АТ блока.

По сколку родного корпуса к ней не нашлось, мы ее установили в первый подходящий по размеру корпус и снабдили хорошим вентилятором.

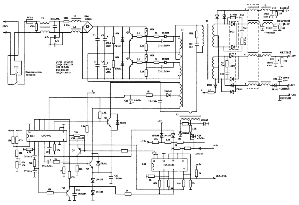
Сам процесс переделки очень похож на переделку блока питания АТХ, которая уже у нас описывалась ранее. И так, ниже находится схема этого блока питания АТ.

Далее схема со всеми дальнейшими изменениями для переделки его в зарядное устройство.

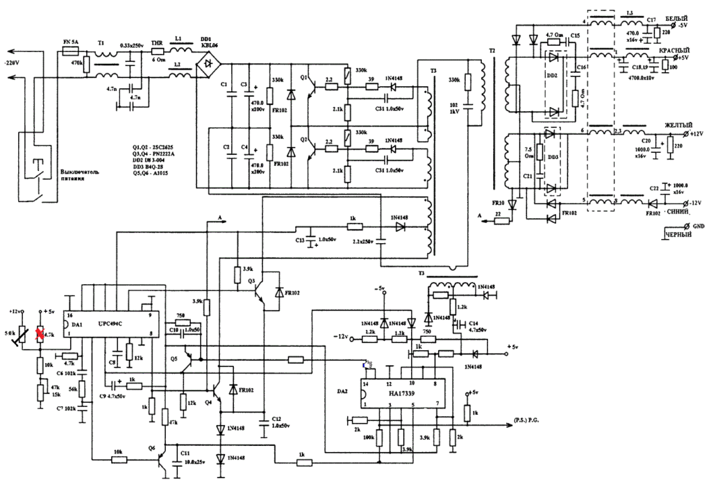
Как видим со схемы, наш блок построен на ШИМ TL494. Для поднятия выходного напряжения до 14 В необходимо найти два резистора.
Первыйудалить с платыВторойзаменить на многооборотный подстроечный
TL494 распиновка.

Находим необходимые резисторы в блоке.

Удаляем их из платы.

Устанавливаем многооборотный подстроечный резистор (предварительно выставив на нем 20-22 кОм).

При включении блока питания напряжение на шине +12 В уже будет отличаться от исходного, у нас оно составило 14,7 В.

Подстроечным резистором мы можем откорректировать выходное напряжение до оптимальных 14,2 В для зарядки АКБ.

Переделка блока питания АТ в зарядное закончена, таким блоком уже можно пользоваться в качестве зарядного устройства.

Но, надо помнить, что все самодельные зарядные собранные с блока питания компьютера моментально выходят из строя при переполюсовке АКБ. Защита от переполюсовки на реле является самым простым и весьма эффективным способом защиты от такой случайности.
Описание и принцип работы пуско-зарядного устройства
Здесь особо сложного ничего нет. Сетевое U = 220 В подаётся через выключатель на первичную обмотку трансформатора, а на вторичной происходит уменьшение переменного напряжения. Потом оно сглаживается двухполупериодным или мостовым выпрямителем, собранным на мощных диодах. Далее пульсирующее напряжение может быть отфильтровано посредством электролитических конденсаторов. При необходимости около выхода осуществляется увеличение напряжения, что делается с помощью усилителей, в которых основными компонентами являются транзисторы, тиристоры.
Из недостатков описываемого пуско-зарядного устройства можно отметить разве что солидный вес, что обусловлено установкой мощного и, как следствие, габаритного трансформатора. Ниже – схема двухполупериодного пуско-зарядного устройства своими руками:
В этой схеме задействован лабораторный трансформатор ЛАТР. Вместо двух диодов можно использовать и диодный мост типа КЦ405. Схема пуско-зарядного устройства для автомобиля с усилителем:
Как сделать пуско-зарядное устройство своими руками, чтобы оно наверняка заработало? Нужно соблюдать параметры деталей. Мощность указанных на картинке тиристоров – не менее 80 А (если будет использоваться диодный мост, то от 160 А). Диоды на ток – 100–200 А. Транзистор – КТ361 либо КТ 3102 (можно любой другой с такими же параметрами). Мощность используемых резисторов – от 1 Вт.
Собранное своими руками зарядно-пусковое устройство подключается через зажимы-крокодилы к АКБ в соответствии с полярностью. При нормально заряженной батарее с ПЗУ энергия поступать не будет. Если же АКБ не функционирует, тиристорный переход откроется, и зарядный ток пойдёт на батарею и стартер.
Расчёт обмоток трансформатора
Сначала нужно подобрать магнитопровод, сечение которого должно быть не меньше 37 кв. см. Чтобы рассчитать количество витков в первичной обмотке, необходимо воспользоваться формулами: Т = 30/S, где S – площадь магнитопровода и N = 220*Т, то есть W1 = 220*30/37 = 178 витков. Для обмотки необходимо использовать изолированный провод сечением не менее 2 кв. мм. Формула для вторичной обмотки: W2 = 16*Т = 16*30/37 = 13 витков. Здесь понадобится шина из алюминия площадью 36 кв. мм.
Стоит заметить, что формулы не всегда могут выдавать точное число обмоток (особенно вторичной), поэтому можно применить метод подбора. Намотав первичную обмотку, накрутите несколько витков вторичной и измерьте получившееся напряжение, не обрезая шину. Таким образом нужно добиться на выходе значения 14–16 В.
Дело будет обстоять проще, если у вас имеется ЛАТР – лабораторный трансформатор. От него нужно взять сердечник. Количество витков первичной обмотки – 265–295. Используйте изолированный провод сечением 2 мм. Намотку производите в три слоя. Далее обязательно проверьте значение тока холостого хода (включите мультиметр в разрыв между сетью 220 В и одним из концов обмотки). Прибор должен показывать 210–390 мА. Если показания больше, число витков нужно увеличить, в противном случае, наоборот, уменьшить. Вторичная обмотка разделена на две секции, в каждой из которых 15–18 витков. Здесь понадобится провод сечением 10 кв. мм.
Расчёт выпрямителя
Далее рассмотрены параметры электронных компонентов (помимо указанных выше), применяемых в обеих схемах:
- Диоды. Максимальный пропускаемый ток не должен быть менее 100 А. Это могут быть В200, Д141, 2Д141, 2Д151 и иные аналогичные детали. Вместо КД105 не возбраняется применять КД209 или даже Д226. Стабилитрон – Д808, 2С182 и т. п.
- Тиристоры. I = 80 А и более: ТС185, Т15-80, Т15-100, Т161, Т125 и т. п. Если используется вариант выпрямления тока с диодным мостом, тиристоры будут мощнее вдвойне: Т15, Т160, Т250, Т16 и другие, аналогичные.
- Транзисторы. Здесь важен коэффициент усиления h = 21э. Это КТ361 либо КТ3107 проводимостью n-p-n. Вместо КТ816 подойдёт и КТ814.
- Резисторы. Желательно, чтобы их мощность была не менее 1 Вт.
- Выключатель. Должен держать ток от 6 А.
Подбор сечения проводов
Подбирая выходные провода, которые будут присоединяться к аккумулятору, нужно помнить, что их диаметр не может быть меньше такого же параметра вторичной обмотки. Лучше использовать многожильный медный кабель, используемый в сварочных аппаратах, где каждый проводок имеет сечение 2,5 кв. мм. Такую же площадь должен иметь провод, посредством которого самодельный аппарат будет подключаться к сети. Не забудьте приобрести мощные зажимы-крокодилы для подключения к клеммам АКБ. Здесь тоже рекомендуется использовать изделия, применяемы при сварке («масса»).
Требования к самодельным зарядным устройствам
Чтобы зарядка автоматически могла восстановить АКБ автомобиля, к ней предъявляются жесткие требования:
Любое простое современное ЗУ должно быть автономным. Благодаря этому за работой оборудования не придется следить, в частности, если оно функционирует ночью. Устройство будет самостоятельно контролировать рабочие параметры напряжения и тока заряда. Этот режим называется автоматом.
Зарядное оборудование должно самостоятельно обеспечивать стабильный уровень напряжения 14,4 вольта. Этот параметр необходим для восстановления любых батарей, работающих в 12-вольтной сети.
Зарядное оборудование должно обеспечить необратимое выключение батареи от прибора при двух условиях. В частности если ток заряда или напряжение увеличится более, чем на 15,6 вольт. Оборудование должно иметь функцию самоблокировки. Пользователю, чтобы сбросить рабочие параметры, придется отключить и активировать прибор.
Оборудование обязательно должно быть защищено от переплюсовки, иначе АКБ может выйти из строя. Если потребитель спутает полярность и неверно подключит минусовой и плюсовой контакт, произойдет замыкание
Важно, чтобы зарядное оборудование обеспечивало защиту. Схема дополняется предохранительным устройством.
Для подключения ЗУ к аккумуляторной батарее потребуется два провода, каждый из которых должно иметь сечение 1 мм2
На один конец каждого проводника требуется установить зажим типа крокодил. С другой стороны устанавливаются разрезные наконечники. Положительный контакт должен быть выполнен в красной оболочке, а отрицательный — в синей. Для бытовой сети используется универсальный кабель, оснащенный вилкой.
Если аппарат полностью сделать своими руками, несоблюдение требований навредит не только зарядному прибору, но и аккумулятору.
Владимир Кальченко подробно рассказал о переделке ЗУ и об использовании подходящих для этой цели проводов.
Где 12 вольт, а где 5? Разбираемся с цветовой маркировкой
Как узнать, на каких проводах какие напряжения формируются? Где, к примеру, 12 вольт на блоке питания компьютера? Для этого не понадобится тестер, поскольку все провода, выходящие из компьютерного блока питания, имеют строго определенную общепринятую расцветку. Поэтому вместо тестера мы вооружаемся табличкой, приведенной ниже.
Расцветка и назначение проводов блока питания ATX
| Цвет | Назначение | Примечание |
| черный | GND | провод общий минус |
| красный | +5 В | основная шина питания |
| желтый | +12 В | основная шина питания |
| синий | -12 В | основная шина питания (может отсутствовать) |
| оранжевый | +3.3 В | основная шина питания |
| белый | -5 В | основная шина питания |
| фиолетовый | +5 VSB | дежурное питание |
| серый | Power good | питание в норме |
| зеленый | Power on | команда запустить БП |
Табличка особых пояснений не требует. С зеленым проводом (Power on) мы познакомились в предыдущем разделе – на него материнская плата подает сигнал низким уровнем (замыканием на общий) на включение БП. Синий провод в новых моделях БП может отсутствовать, поскольку производители материнских плат отказались от интерфейса RS-232C (COM-порт), требующего -12 В.
Фиолетовый провод (+5 VSB ) – это как раз дежурные +5 В, питающие дежурные узлы материнской платы. По серому проводу (Power good) блок питания сообщает, что все напряжения в норме и компьютер можно включать. Если какое-то из напряжений в процессе работы выходит за допустимые пределы или пропадает, то сигнал снимается. Причем это происходит до того, как успеют разрядиться накопительные конденсаторы БП, давая процессору время на принятие экстренных мер по аварийной остановке системы. Остальные провода – это провода питания материнской платы и периферийных устройств – дисководов, внешних видеокарт и т. д.
Из чего должен состоять прибор?
Основными элементами любого заряжающего устройства являются:
- Преобразователь сетевого напряжения 220 В – катушка либо трансформатор. Его задача – обеспечить напряжение, приемлемое для подзарядки батареи, составляющее 12-15 В.
- Выпрямитель. Он превращает переменный ток бытовой электросети в постоянный, необходимый для восстановления заряда аккумулятора.
- Выключатель и предохранитель.
- Провода с клеммами.
Заводские аппараты дополнительно оснащаются приборами для измерения напряжения и тока, защитными элементами и таймерами. Самодельное зарядное устройство тоже можно усовершенствовать до уровня заводского при условии, что вы владеете познаниями в электротехнике. Если вам знакомы только азы, то в домашних условиях сможете собрать следующие примитивные конструкции:
- зарядку из адаптера для ноутбука;
- зарядник из деталей от старой бытовой техники.
Подзарядка с помощью адаптера для ноутбука
В устройствах для питания ноутбуков уже встроен преобразователь и выпрямитель. Вдобавок там есть элементы стабилизации и сглаживания выходного напряжения. Чтобы использовать их в качестве заряжающего прибора, следует проверить величину этого напряжения. Она должна составлять не менее 12 В, иначе автомобильный аккумулятор на зарядится.

Для проверки необходимо вставить вилку адаптера в розетку и соединить плюсовую клемму вольтметра с контактом, находящимся внутри круглого штекера. Минусовый контакт расположен снаружи. Если вольтметр показал 12 В и более, то подключите адаптер к батарее следующим образом:
- Возьмите 2 медных провода, зачистите их концы и прикрепите к контактам штекера.
- «Минусовую» клемму аккумулятора присоедините к проводу от наружного контакта адаптера.
- Провод от внутреннего контакта подключите к «плюсовой» клемме.
- В разрыв «плюсового» провода поставьте маломощную автомобильную лампочку на 12 В, она послужит балластным сопротивлением.
- Откройте крышку батареи либо отвинтите пробки и включите адаптер в сеть.
Такая зарядка для аккумулятора автомобиля не способна восстановить полностью «севший» источник питания. Но если заряд был утрачен частично, то за несколько часов батарею удастся подзарядить, чтобы завести двигатель.
Негативный момент: если внутри батареи замкнули «банки», то маломощный адаптер может быстро выйти из строя, а вы останетесь без машины и ноутбука. Поэтому стоит внимательно наблюдать за процессом первые полчаса и при перегреве немедленно отключить зарядку.
Сборка ЗУ из старых радиодеталей
Вариант с адаптерами не годится для постоянного применения, поскольку есть риск испортить приспособление, притом, что скорость зарядки довольно низкая. Более мощный и надежный зарядник получится из деталей старых телевизоров и ламповых радиоприемников, хотя для его изготовления придется потрудиться. Для сборки схемы понадобится:
- силовой трансформатор, понижающий напряжение до 12—15 В;
- диоды серий Д214…Д243 – 4 шт.;
- конденсатор электролитический номиналом 1000 мкФ, рассчитанный на 25 В;
- старый тумблер (220 В, 6 А) и гнездо для предохранителя на 1 А;
- провода с разъемами типа «крокодил»;
- подходящий металлический корпус.

Первым делом необходимо проверить напряжение на выходе трансформатора, подключив первичную (силовую) обмотку к электросети и снимая показания с концов других обмоток (их бывает несколько). Выбрав контакты с подходящим напряжением, остальные откусите либо заизолируйте.
Самодельное зарядное устройство для аккумулятора собирайте в таком порядке:
- Установите трансформатор в металлический корпус, туда же поместите 4 диода, прикрученных гайками к листу гетинакса либо текстолита.
- К силовой обмотке трансформатора через выключатель и предохранитель подключите сетевой кабель.
- Спаяйте диодный мост по схеме и присоедините его проводами ко вторичной обмотке трансформатора.
- На выходе диодного моста поставьте конденсатор, соблюдая полярность.
- Подключите зарядные провода с «крокодилами».

Для контроля напряжения и тока желательно установить в ЗУ показывающий амперметр и вольтметр. Первый включается в цепь последовательно, второй – параллельно. Впоследствии вы сможете усовершенствовать аппарат, добавив ручной регулятор напряжения, контрольную лампу и реле безопасности.
Скорость зарядки аккумулятора самодельным аппаратом зависит от мощности трансформатора, но она будет намного выше, чем при подзарядке адаптером. Недостаток устройства, сделанного своими руками, заключается в отсутствии автоматики, отчего процесс придется контролировать, чтобы не выкипел электролит и батарея не перегрелась.
Как правильно зарядить АКБ самодельной зарядкой
Собирая зарядное устройство самостоятельно, всегда следует помнить о мерах предосторожности
Есть ряд правил, которые важно соблюдать при использовании зарядки, собранной в ручную. В противном случае батарея может испортиться, а вся работа будет проделана напрасно
Основные правила:
- Перед зарядкой аккумулятор необходимо отсоединить от автомобиля, и занести в теплое помещение.
- Очищение устройства от загрязнений – обязательный этап его подготовки к зарядке. В качестве инструмента можно использовать наждачную бумагу с тонким абразивом или зубную щетку.
- Электролиты в банках АКБ должны полностью покрывать металлические пластины. При недостатке жидкости можно воспользоваться обычной дистиллированной водой.
- Устройство с глубокими трещинами или сколами заряжать нельзя.
Если автомобильный аккумулятор разряжен, а специальное зарядное устройство отсутствует, его можно сделать самостоятельно. Но для этого необходимо иметь не только знания в радиотехнике, но и опыт работы со схемами электрической цепи.
Загрузка…
Процесс переделки
Прежде чем приступать к перечню определенных переделок БМ компьютера, нужно иметь в виду, что в его первичных цепях находится довольно опасное напряжение, которое может нанести вред здоровью человека.
Поэтому, нужно внимательным образом отнестись к элементарным нормам техники безопасности в работе с данным устройством.
Итак, можно приступать к работе. Берем имеющийся у вас блок питания необходимой мощности (в нашем случае мы рассматривает модель PSC200, мощность которого составляет 200 Вт). Опишем поэтапно весь алгоритм действий:
- Сначала нужно снять крышку с блока питания компьютера, открутив несколько болтов. Далее нужно найти сердечник импульсного трансформатора.
- Далее нужно измерить этот сердечник, а полученное значение умножить на два. Данное значение индивидуально, на примере рассматриваемого устройства получилось значение 0,94 см2. На практике известно, что 1 см2 сердечника способен рассеять порядка 100 Вт мощности, т.е. наш блок вполне подходит (из расчета — 14 В * 5 А = 60 Вт необходимо для зарядки АКБ).
- В блоках питания используется довольно стандартная микросхема TL494, характерная для многих моделей.
Нам нужны только элементы цепи +12 В. Поэтому все остальное нужно просто выпаять. Для удобства приведены две схемы — на одном общий вид микросхемы, а на втором красным цветом выделены цепи, которые необходимо выпаять:
Иными словами, нас не интересуют цепи -5, +5, -12 В, а также схема сигнала запуска (Power Good) и переключатель напряжения 110/220 В. Чтобы было еще нагляднее, выделим интересующий нас кусок:
R43 и R44 являются резисторами опорного типа. Величину R43 можно корректировать, что позволяет добиться изменения величины выходного напряжения на цепи +12 В. Данный резистор нужно заменить на постоянный резистор R431 и переменный R432. Выходное напряжение можно корректировать в пределах 10-14,3 В, можно корректировать силу тока, проходящего через аккумуляторную батарею.
Дополнительно предлагаем посмотреть переделку ATX блока питания в зарядное устройство
Также был заменен конденсатор, находящийся на выходе выпрямителя цепи +12 В. На его место был установлен конденсатор с более высоким показателем напряжения (в нашем случае использовался C9).
Резистор, находящийся рядом с вентилятором обдува, необходимо заменить на аналогичный, но обладающий чуть большим сопротивлением.
Сам вентилятор нужно расположить таким образом, чтобы воздух от него поступал внутрь БП, а не наружу, как это было ранее. Для этого, разворачиваем его на 180 градусов.
Также необходимо удалить дорожки, которые соединяют отверстия крепления платы к шасси и цепи массы.
Стоит отметить, что получившееся зарядное устройство из блока питания нужно включать в сеть переменного тока через обыкновенную лампу накаливания мощностью от 40 до 100 Вт.
Это нужно делать на этапе сборки и проверки работоспособности, потом необходимость в этом отпадает. Нужно это для того, чтобы в нашем БП ничего не перегорело от скачков напряжения.
Осуществляя подбор номиналов R431 и R432, необходимо отслеживать напряжение в цепи Uпит — оно не должно превышать 35 В. Оптимальными показателями, в нашем случае, будет выходное напряжение в 14,3 В при незначительном сопротивлении резистора R432.
Еще один вариант переделки
Требования к конструкции
Зарядное устройство должно быть смонтировано в закрытом корпусе.
- Если корпус металлический, то должна быть предусмотрена возможность его заземления.
- Все токоведущие части напряжением 220 или 380В должны быть недоступны прикосновению.
- Должна быть предусмотрена защита от коротких замыканий и сверхтоков предохранителями или автоматическими выключателями с электромагнитными расцепителями.
- Подсоединение ЗУ к выводам аккумулятора должно производиться гибкими медными проводами с зажимами типа «крокодил» или другими, обеспечивающими надежный электрический контакт.
- Рукоятки зажимов должны быть заизолированы трубками ПВХ или изоляционной лентой. Цвет изоляции положительного провода красный, отрицательного – синий или черный.
- Сечение проводов не ниже 2,5 мм².

Образцом подобного устройства может служить ЗУ, изготовленное на базе компьютерного блока питания, изображенное на фото 1. Элементы устройства должны быть надежно соединены между собой пайкой, скруткой или болтовым соединением.

Если схема содержит большое количество радиоэлементов, то рекомендуется объединять их на печатных или макетных платах с помощью объемного монтажа. Фото 3 иллюстрирует внешний вид такой платы.

Для снижения затрат на изготовление зарядных устройств рекомендуется не приобретать в радиомагазинах комплектующие элементы, а использовать их от ненужной аппаратуры, иначе самодельные ЗУ могут оказаться дороже новых импортных китайских. Основное условие их применения – чтобы они были исправны и сохраняли свои характеристики.

Краткие выводы
Сделанное своими руками зарядное устройство для авто из компьютерного БП обладает целым рядом достоинств:
- отличной надёжностью и живучестью: современные импульсные БП отличаются высоким КПД, на уровне 80–85%, при этом наработка на отказ вместе с вентилятором составляет около 50000 часов, что для зарядного устройства фантастически много. Другими словами, такое ЗУ можно использовать и в качестве профессионального зарядника, способного работать сутками напролёт. Более того, поскольку в нём удалены схемы 3.3 и 5 В, его ресурс получается ещё большим;
- отметим и достаточно высокий уровень стабилизации выходного напряжения, в пределах 5% (для 12В это 0.6 В);
- ограничение по току позволяет использовать такое самодельное ЗУ даже для зарядки гелевых АКБ, не опасаясь их перегрева;
- имеется возможность зарядки аккумулятора на работающем автомобиле.
Но есть и недостаток. Это плата за высокую автономность устройства: на полную зарядку АКБ придётся потратить больше времени, поскольку уменьшение тока заряда носит не линейный, а экспоненциальный характер. Зато вы не сможете довести батарею до кипения, как это могло бы случиться при зарядке постоянным током.






